Stainless Steel 3-Bolt Flange Bearings
Stainless steel 3-bolt flanged bearing units are designed with three mounting styles to facilitate installation in more compact systems and complex mounting locations. Our stainless steel three-bolt flanged bearings are manufactured from high-quality food-grade stainless steel and feature special features that extend bearing life and enhance performance.
Stainless Steel 3-Bolt Flange Bearings
Stainless steel 3-bolt flanged bearing units are designed with three mounting styles to facilitate installation in more compact systems and complex mounting locations. Our stainless steel three-bolt flanged bearings are manufactured from high-quality food-grade stainless steel and feature special features that extend bearing life and enhance performance.
Stainless 3-Bolt Flange Bearing Sizes
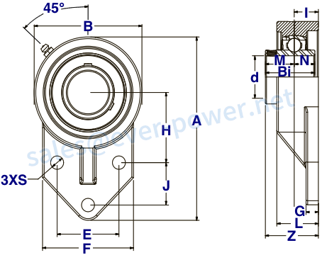
(1)SUCSFBM 200 Normal Duty 3-Bolt Flange Bearing With Set Screws
![]() |
![]() |
|
Bearing # |
Shaft Diameter (d) |
(A) |
(H) |
(E) |
(J) |
(I) |
(G) |
(L) |
(S) |
(B) |
(F) |
(Z) |
(Bi) |
(N) |
(M) |
Bolt Size |
Dynamic Load Rating (LBS) |
Static Load Rating (LBS) |
Bearing Insert |
Housing Number |
Weight (LBS) |
|---|---|---|---|---|---|---|---|---|---|---|---|---|---|---|---|---|---|---|---|---|---|
| SUCSFBM201 | 12 | 4.25 | 1.70 | 1.50 | 0.87 | 0.63 | 0.31 | 1.00 | 0.39 | 2.50 | 2.38 | 1.35 | 1.2205 | 0.5000 | 0.7205 | 5/16 | 2,331 | 1,142 | SUC 201 | SFBM 204 | 1.5 |
| SUCSFBM201-8 | 1/2 | 4.25 | 1.70 | 1.50 | 0.87 | 0.63 | 0.31 | 1.00 | 0.39 | 2.50 | 2.38 | 1.35 | 1.2205 | 0.5000 | 0.7205 | 5/16 | 2,331 | 1,142 | SUC 201-8 | SFBM 204 | 1.5 |
| SUCSFBM202 | 15 | 4.25 | 1.70 | 1.50 | 0.87 | 0.63 | 0.31 | 1.00 | 0.39 | 2.50 | 2.38 | 1.35 | 1.2205 | 0.5000 | 0.7205 | 5/16 | 2,331 | 1,142 | SUC 202 | SFBM 204 | 1.5 |
| SUCSFBM202-10 | 5/8 | 4.25 | 1.70 | 1.50 | 0.87 | 0.63 | 0.31 | 1.00 | 0.39 | 2.50 | 2.38 | 1.35 | 1.2205 | 0.5000 | 0.7205 | 5/16 | 2,331 | 1,142 | SUC 202-10 | SFBM 204 | 1.5 |
| SUCSFBM203 | 17 | 4.25 | 1.70 | 1.50 | 0.87 | 0.63 | 0.31 | 1.00 | 0.39 | 2.50 | 2.38 | 1.35 | 1.2205 | 0.5000 | 0.7205 | 5/16 | 2,331 | 1,142 | SUC 203 | SFBM 204 | 1.5 |
| SUCSFBM204-12 | 3/4 | 4.25 | 1.70 | 1.50 | 0.87 | 0.63 | 0.31 | 1.00 | 0.39 | 2.50 | 2.38 | 1.35 | 1.2205 | 0.5000 | 0.7205 | 5/16 | 2,331 | 1,142 | SUC 204-12 | SFBM 204 | 1.5 |
| SUCSFBM204 | 20 | 4.25 | 1.70 | 1.50 | 0.87 | 0.63 | 0.31 | 1.00 | 0.39 | 2.50 | 2.38 | 1.35 | 1.2205 | 0.5000 | 0.7205 | 5/16 | 2,331 | 1,142 | SUC 204 | SFBM 204 | 1.5 |
| SUCSFBM205-14 | 7/8 | 4.75 | 1.81 | 1.63 | 1.13 | 0.66 | 0.39 | 1.13 | 0.39 | 2.75 | 2.50 | 1.44 | 1.3425 | 0.5630 | 0.7795 | 5/16 | 2542年 | 1,349 | SUC 205-14 | SFBM 205 | 1.8 |
| SUCSFBM205-15 | 15/16 | 4.75 | 1.81 | 1.63 | 1.13 | 0.66 | 0.39 | 1.13 | 0.39 | 2.75 | 2.50 | 1.44 | 1.3425 | 0.5630 | 0.7795 | 5/16 | 2542年 | 1,349 | SUC 205-15 | SFBM 205 | 1.8 |
| SUCSFBM205 | 25 | 4.75 | 1.81 | 1.63 | 1.13 | 0.66 | 0.39 | 1.13 | 0.39 | 2.75 | 2.50 | 1.44 | 1.3425 | 0.5630 | 0.7795 | 5/16 | 2542年 | 1,349 | SUC 205 | SFBM 205 | 1.8 |
| SUCSFBM205-16 | 1 | 4.75 | 1.81 | 1.63 | 1.13 | 0.66 | 0.39 | 1.13 | 0.39 | 2.75 | 2.50 | 1.44 | 1.3425 | 0.5630 | 0.7795 | 5/16 | 2542年 | 1,349 | SUC 205-16 | SFBM 205 | 1.8 |
| SUCSFBM206-17 | 1 1/16 | 5.38 | 2.06 | 1.88 | 1.25 | 0.73 | 0.39 | 1.25 | 0.39 | 3.25 | 2.75 | 1.61 | 1.5000 | 0.6260 | 0.8740 | 5/16 | 3,554 | 1,942 | SUC 206-17 | SFBM 206 | 2.1 |
| SUCSFBM206-18 | 1 1/8 | 5.38 | 2.06 | 1.88 | 1.25 | 0.73 | 0.39 | 1.25 | 0.39 | 3.25 | 2.75 | 1.61 | 1.5000 | 0.6260 | 0.8740 | 5/16 | 3,554 | 1,942 | SUC 206-18 | SFBM 206 | 2.1 |
| SUCSFBM206 | 30 | 5.38 | 2.06 | 1.88 | 1.25 | 0.73 | 0.39 | 1.25 | 0.39 | 3.25 | 2.75 | 1.61 | 1.5000 | 0.6260 | 0.8740 | 5/16 | 3,554 | 1,942 | SUC 206 | SFBM 206 | 2.1 |
| SUCSFBM206-19 | 1 3/16 | 5.38 | 2.06 | 1.88 | 1.25 | 0.73 | 0.39 | 1.25 | 0.39 | 3.25 | 2.75 | 1.61 | 1.5000 | 0.6260 | 0.8740 | 5/16 | 3,554 | 1,942 | SUC 206-19 | SFBM 206 | 2.1 |
| SUCSFBM206-20 | 1 1/4 | 5.38 | 2.06 | 1.88 | 1.25 | 0.73 | 0.39 | 1.25 | 0.39 | 3.25 | 2.75 | 1.61 | 1.5000 | 0.6260 | 0.8740 | 5/16 | 3,554 | 1,942 | SUC 206-20 | SFBM 206 | 2.1 |
| SUCSFBM207-20 | 1 1/4 | 6.13 | 2.38 | 2.00 | 1.25 | 0.83 | 0.53 | 1.44 | 0.51 | 3.75 | 3.25 | 1.83 | 1.6890 | 0.6890 | 1.0000 | 7/16 | 4,683 | 2,626 | SUC 207-20 | SFBM 207 | 3.3 |
| SUCSFBM207-21 | 1 5/16 | 6.13 | 2.38 | 2.00 | 1.25 | 0.83 | 0.53 | 1.44 | 0.51 | 3.75 | 3.25 | 1.83 | 1.6890 | 0.6890 | 1.0000 | 7/16 | 4,683 | 2,626 | SUC 207-21 | SFBM 207 | 3.3 |
| SUCSFBM207-22 | 1 3/8 | 6.13 | 2.38 | 2.00 | 1.25 | 0.83 | 0.53 | 1.44 | 0.51 | 3.75 | 3.25 | 1.83 | 1.6890 | 0.6890 | 1.0000 | 7/16 | 4,683 | 2,626 | SUC 207-22 | SFBM 207 | 3.3 |
| SUCSFBM207 | 35 | 6.13 | 2.38 | 2.00 | 1.25 | 0.83 | 0.53 | 1.44 | 0.51 | 3.75 | 3.25 | 1.83 | 1.6890 | 0.6890 | 1.0000 | 7/16 | 4,683 | 2,626 | SUC 207 | SFBM 207 | 3.3 |
| SUCSFBM207-23 | 1 7/16 | 6.13 | 2.38 | 2.00 | 1.25 | 0.83 | 0.53 | 1.44 | 0.51 | 3.75 | 3.25 | 1.83 | 1.6890 | 0.6890 | 1.0000 | 7/16 | 4,683 | 2,626 | SUC 207-23 | SFBM 207 | 3.3 |
| SUCSFBM208-24 | 1 1/2 | 6.44 | 2.38 | 1.97 | 1.63 | 0.83 | 0.69 | 1.41 | 0.47 | 3.94 | 3.06 | 2.02 | 1.9370 | 0.7480 | 1.1890 | 3/8 | 5,294 | 3,057 | SUC 208-24 | SFBM 208 | 4.4 |
| SUCSFBM208-25 | 1 9/16 | 6.44 | 2.38 | 1.97 | 1.63 | 0.83 | 0.69 | 1.41 | 0.47 | 3.94 | 3.06 | 2.02 | 1.9370 | 0.7480 | 1.1890 | 3/8 | 5,294 | 3,057 | SUC 208-25 | SFBM 208 | 4.4 |
| SUCSFBM208 | 40 | 6.44 | 2.38 | 1.97 | 1.63 | 0.83 | 0.69 | 1.41 | 0.47 | 3.94 | 3.06 | 2.02 | 1.9370 | 0.7480 | 1.1890 | 3/8 | 5,294 | 3,057 | SUC 208 | SFBM 208 | 4.4 |
| SUCSFBM209-26 | 1 5/8 | 6.88 | 2.56 | 2.13 | 1.69 | 0.86 | 0.75 | 1.38 | 0.47 | 4.19 | 3.16 | 2.05 | 1.9370 | 0.7480 | 1.1890 | 3/8 | 5,923 | 3,507 | SUC 209-26 | SFBM 209 | 5.8 |
| SUCSFBM209-27 | 1 11/16 | 6.88 | 2.56 | 2.13 | 1.69 | 0.86 | 0.75 | 1.38 | 0.47 | 4.19 | 3.16 | 2.05 | 1.9370 | 0.7480 | 1.1890 | 3/8 | 5,923 | 3,507 | SUC 209-27 | SFBM 209 | 5.8 |
| SUCSFBM209-28 | 1 3/4 | 6.88 | 2.56 | 2.13 | 1.69 | 0.86 | 0.75 | 1.38 | 0.47 | 4.19 | 3.16 | 2.05 | 1.9370 | 0.7480 | 1.1890 | 3/8 | 5,923 | 3,507 | SUC 209-28 | SFBM 209 | 5.8 |
| SUCSFBM209 | 45 | 6.88 | 2.56 | 2.13 | 1.69 | 0.86 | 0.75 | 1.38 | 0.47 | 4.19 | 3.16 | 2.05 | 1.9370 | 0.7480 | 1.1890 | 3/8 | 5,923 | 3,507 | SUC 209 | SFBM 209 | 5.8 |
| SUCSFBM210-30 | 1 7/8 | 7.50 | 2.94 | 2.75 | 1.63 | 0.86 | 0.56 | 1.50 | 0.52 | 4.66 | 4.00 | 2.14 | 2.0315 | 0.7480 | 1.2835 | 7/16 | 6,402 | 4,046 | SUC 210-30 | SFBM 210 | 6.1 |
| SUCSFBM210-31 | 1 15/16 | 7.50 | 2.94 | 2.75 | 1.63 | 0.86 | 0.56 | 1.50 | 0.52 | 4.66 | 4.00 | 2.14 | 2.0315 | 0.7480 | 1.2835 | 7/16 | 6,402 | 4,046 | SUC 210-31 | SFBM 210 | 6.1 |
| SUCSFBM210 | 50 | 7.50 | 2.94 | 2.75 | 1.63 | 0.86 | 0.56 | 1.50 | 0.52 | 4.66 | 4.00 | 2.14 | 2.0315 | 0.7480 | 1.2835 | 7/16 | 6,402 | 4,046 | SUC 210 | SFBM 210 | 6.1 |
| SUCSFBM210-32 | 2 | 7.50 | 2.94 | 2.75 | 1.63 | 0.86 | 0.56 | 1.50 | 0.52 | 4.66 | 4.00 | 2.14 | 2.0315 | 0.7480 | 1.2835 | 7/16 | 6,402 | 4,046 | SUC 210-32 | SFBM 210 | 6.1 |
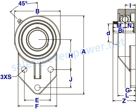
(2)SNCSFBM 200 Normal Duty 3-Bolt Flange Bearing With Eccentric Locking Collar
![]() |
|
Bearing # |
Shaft Diameter (d) |
(A) |
(H) |
(E) |
(J) |
(I) |
(G) |
(L) |
(S) |
(B) |
(F) |
(Z) |
(Bi) |
(N) |
(M) |
Bolt Size |
Dynamic Load Rating (LBS) |
Static Load Rating (LBS) |
Bearing Insert |
Housing Number |
Weight (LBS) |
|---|---|---|---|---|---|---|---|---|---|---|---|---|---|---|---|---|---|---|---|---|---|
| SNCSFBM201-8 | 1/2 | 4.25 | 1.70 | 1.50 | 0.87 | 0.63 | 0.31 | 1.00 | 0.39 | 2.50 | 2.38 | 1.67 | 1.5472 | 0.5000 | 0.6732 | 5/16 | 2,331 | 1,142 | SNC 201-8 | SFBM 204 | 1.3 |
| SNCSFBM202-10 | 5/8 | 4.25 | 1.70 | 1.50 | 0.87 | 0.63 | 0.31 | 1.00 | 0.39 | 2.50 | 2.38 | 1.67 | 1.5472 | 0.5000 | 0.6732 | 5/16 | 2,331 | 1,142 | SNC202-10 | SFBM 204 | 1.3 |
| SNCSFBM204-12 | 3/4 | 4.25 | 1.70 | 1.50 | 0.87 | 0.63 | 0.31 | 1.00 | 0.39 | 2.50 | 2.38 | 1.67 | 1.5472 | 0.5000 | 0.6732 | 5/16 | 2,331 | 1,142 | SNC 204-12 | SFBM 204 | 1.3 |
| SNCSFBM204 | 20 | 4.25 | 1.70 | 1.50 | 0.87 | 0.63 | 0.31 | 1.00 | 0.39 | 2.50 | 2.38 | 1.67 | 1.5472 | 0.5000 | 0.6732 | 5/16 | 2,331 | 1,142 | SNC 204 | SFBM 204 | 1.3 |
| SNCSFBM205-14 | 7/8 | 4.75 | 1.80 | 1.63 | 1.13 | 0.66 | 0.39 | 1.13 | 0.39 | 2.75 | 2.50 | 1.72 | 1.6220 | 0.5630 | 0.6850 | 5/16 | 2542年 | 1,349 | SNC 205-14 | SFBM 205 | 1.5 |
| SNCSFBM205-15 | 15/16 | 4.75 | 1.80 | 1.63 | 1.13 | 0.66 | 0.39 | 1.13 | 0.39 | 2.75 | 2.50 | 1.72 | 1.6220 | 0.5630 | 0.6850 | 5/16 | 2542年 | 1,349 | SNC 205-15 | SFBM 205 | 1.5 |
| SNCSFBM 205 | 25 | 4.75 | 1.80 | 1.63 | 1.13 | 0.66 | 0.39 | 1.13 | 0.39 | 2.75 | 2.50 | 1.72 | 1.6220 | 0.5630 | 0.6850 | 5/16 | 2542年 | 1,349 | SNC 205 | SFBM 205 | 1.5 |
| SNCSFBM205-16 | 1 | 4.75 | 1.80 | 1.63 | 1.13 | 0.66 | 0.39 | 1.13 | 0.39 | 2.75 | 2.50 | 1.72 | 1.6220 | 0.5630 | 0.6850 | 5/16 | 2542年 | 1,349 | SNC 205-16 | SFBM 205 | 1.5 |
| SNCSFBM206-17 | 1 1/16 | 5.38 | 2.06 | 1.88 | 1.25 | 0.73 | 0.39 | 1.25 | 0.39 | 3.25 | 2.75 | 1.92 | 1.8110 | 0.6260 | 0.7165 | 7/16 | 3,554 | 1,942 | SNC 206-17 | SFBM 206 | 2.0 |
| SNCSFBM206-18 | 1 1/8 | 5.38 | 2.06 | 1.88 | 1.25 | 0.73 | 0.39 | 1.25 | 0.39 | 3.25 | 2.75 | 1.92 | 1.8110 | 0.6260 | 0.7165 | 7/16 | 3,554 | 1,942 | SNC 206-18 | SFBM 206 | 2.0 |
| SNCSFBM206 | 30 | 5.38 | 2.06 | 1.88 | 1.25 | 0.73 | 0.39 | 1.25 | 0.39 | 3.25 | 2.7 | 1.92 | 1.8110 | 0.6260 | 0.7165 | 7/16 | 3,554 | 1,942 | SNC 206 | SFBM 206 | 2.0 |
| SNCSFBM206-19 | 1 3/16 | 5.38 | 2.06 | 1.88 | 1.25 | 0.73 | 0.39 | 1.25 | 0.39 | 3.25 | 2.75 | 1.92 | 1.8110 | 0.6260 | 0.7165 | 7/16 | 3,554 | 1,942 | SNC 206-19 | SFBM 206 | 2.0 |
| SNCSFBM206-20 | 1 1/4 | 5.38 | 2.06 | 1.88 | 1.25 | 0.73 | 0.39 | 1.25 | 0.39 | 3.25 | 2.75 | 1.92 | 1.8110 | 0.6260 | 0.7165 | 7/16 | 3,554 | 1,942 | SNC 206-20 | SFBM 206 | 2.0 |
| SNCSFBM207-20 | 1 1/4 | 6.13 | 2.38 | 2.00 | 1.25 | 0.83 | 0.53 | 1.44 | 0.51 | 3.75 | 3.25 | 2.10 | 1.9606 | 0.6890 | 0.7402 | 7/16 | 4,683 | 2,626 | SNC 207-20 | SFBM 207 | 3.1 |
| SNCSFBM207-21 | 1 5/16 | 6.13 | 2.38 | 2.00 | 1.25 | 0.83 | 0.53 | 1.44 | 0.51 | 3.75 | 3.25 | 2.10 | 1.9606 | 0.6890 | 0.7402 | 7/16 | 4,683 | 2,626 | SNC 207-21 | SFBM 207 | 3.1 |
| SNCSFBM207-22 | 1 3/8 | 6.13 | 2.38 | 2.00 | 1.25 | 0.83 | 0.53 | 1.44 | 0.51 | 3.75 | 3.25 | 2.10 | 1.9606 | 0.6890 | 0.7402 | 7/16 | 4,683 | 2,626 | SNC 207-22 | SFBM 207 | 3.1 |
| SNCSFBM207 | 35 | 6.13 | 2.38 | 2.00 | 1.25 | 0.83 | 0.53 | 1.44 | 0.51 | 3.75 | 3.25 | 2.10 | 1.9606 | 0.6890 | 0.7402 | 7/16 | 4,683 | 2,626 | SNC 207 | SFBM 207 | 3.1 |
| SNCSFBM207-23 | 1 7/16 | 6.13 | 2.38 | 2.00 | 1.25 | 0.83 | 0.53 | 1.44 | 0.51 | 3.75 | 3.25 | 2.10 | 1.9606 | 0.6890 | 0.7402 | 7/16 | 4,683 | 2,626 | SNC 207-23 | SFBM 207 | 3.1 |
| SNCSFBM208-24 | 1 /12 | 6.44 | 2.38 | 1.97 | 1.63 | 0.83 | 0.69 | 1.41 | 0.47 | 3.94 | 3.06 | 2.20 | 2.1220 | 0.7480 | 0.8425 | 3/8 | 5,294 | 3,057 | SNC 208-24 | SFBM 208 | 4.2 |
| SNCSFBM208-25 | 1 9/16 | 6.44 | 2.38 | 1.97 | 1.63 | 0.83 | 0.69 | 1.41 | 0.47 | 3.94 | 3.06 | 2.20 | 2.1220 | 0.7480 | 0.7480 | 3/8 | 5,294 | 3,057 | SNC 208-25 | SFBM 208 | 4.2 |
| SNCSFBM208 | 40 | 6.44 | 2.38 | 1.97 | 1.63 | 0.83 | 0.69 | 1.41 | 0.47 | 3.94 | 3.06 | 2.20 | 2.1220 | 0.7480 | 0.7480 | 3/8 | 5,294 | 3,057 | SNC 208 | SFBM 208 | 4.2 |
| SNCSFBM209-26 | 1 5/8 | 6.88 | 2.56 | 2.13 | 1.69 | 0.86 | 0.75 | 1.38 | 0.47 | 4.19 | 3.16 | 2.23 | 2.1220 | 0.7480 | 0.7480 | 3/8 | 5,294 | 3,057 | SNC 209-26 | SFBM 209 | 4.6 |
| SNCSFBM209-27 | 1 11/16 | 6.88 | 2.56 | 2.13 | 1.69 | 0.86 | 0.75 | 1.38 | 0.47 | 4.19 | 3.16 | 2.23 | 2.1220 | 0.7480 | 0.7480 | 3/8 | 5,294 | 3,057 | SNC 209-27 | SFBM 209 | 4.6 |
| SNCSFBM209-28 | 1 3/4 | 6.88 | 2.56 | 2.13 | 1.69 | 0.86 | 0.75 | 1.38 | 0.47 | 4.19 | 3.16 | 2.23 | 2.1220 | 0.7480 | 0.7480 | 3/8 | 5,294 | 3,057 | SNC 209 - 28 | SFBM 209 | 4.6 |
| SNCSFBM209 | 45 | 6.88 | 2.56 | 2.13 | 1.69 | 0.86 | 0.75 | 1.38 | 0.47 | 4.19 | 3.16 | 2.23 | 2.1220 | 0.7480 | 0.7480 | 3/8 | 5,294 | 3,057 | SNC 209 | SFBM 209 | 4.6 |
| SNCSFBM210-30 | 1 7/8 | 7.50 | 2.94 | 2.75 | 1.63 | 0.86 | 0.56 | 1.50 | 0.52 | 4.66 | 4.00 | 2.36 | 2.2480 | 0.7480 | 0.9685 | 7/16 | 6,402 | 4,046 | SNC 210-30 | SFBM 210 | 5.5 |
| SNCSFBM210-31 | 1 15/16 | 7.50 | 2.94 | 2.75 | 1.63 | 0.86 | 0.56 | 1.50 | 0.52 | 4.66 | 4.00 | 2.36 | 2.2480 | 0.7480 | 0.9685 | 7/16 | 6,402 | 4,046 | SNC 210-31 | SFBM 210 | 5.5 |
| SNCSFBM210 | 50 | 7.50 | 2.94 | 2.75 | 1.63 | 0.86 | 0.56 | 1.50 | 0.52 | 4.66 | 4.00 | 2.36 | 2.2480 | 0.7480 | 0.9685 | 7/16 | 6,402 | 4,046 | SNC 210 | SFBM 210 | 5.5 |
| SNCSFBM210-32 | 2 | 7.50 | 2.94 | 2.75 | 1.63 | 0.86 | 0.56 | 1.50 | 0.52 | 4.66 | 4.00 | 2.36 | 2.2480 | 0.7480 | 0.9685 | 7/16 | 6,402 | 4,046 | SNC 210-32 | SFBM 210 | 5.5 |
(3)SUESFBM 200 Normal Duty 3-Bolt Flange Bearing With Tru-Loc Concentric Locking Collar
![]() |
![]() |
|
Bearing # |
Shaft Diameter (d) |
(A) |
(H) |
(E) |
(J) |
(I) |
(G) |
(L) |
(S) |
(B) |
(F) |
(Z) |
(Bi) |
(N) |
(M) |
Bolt Size |
Dynamic Load Rating (LBS) |
Static Load Rating (LBS) |
Bearing Insert |
Housing Number |
Weight (LBS) |
|---|---|---|---|---|---|---|---|---|---|---|---|---|---|---|---|---|---|---|---|---|---|
| SUESFBM204-12 | 3/4 | 4.25 | 1.70 | 1.50 | 0.87 | 0.63 | 0.31 | 1.00 | 0.39 | 2.50 | 2.38 | 1.43 | 1.2992 | 0.5000 | 0.7205 | 5/16 | 2,331 | 1,142 | SUE 204-12 | SFBM204 | 1.3 |
| SUESFBM204 | 20 | 4.25 | 1.70 | 1.50 | 0.87 | 0.63 | 0.31 | 1.00 | 0.39 | 2.50 | 2.38 | 1.43 | 1.2992 | 0.5000 | 0.7205 | 5/16 | 2,331 | 1,142 | SUE 204 | SFBM | 1.3 |
| SUESFBM205-14 | 7/8 | 4.75 | 1.81 | 1.63 | 1.13 | 0.66 | 0.39 | 1.13 | 0.39 | 2.75 | 2.50 | 1.49 | 1.3937 | 0.5630 | 0.7795 | 5/16 | 2542年 | 1,349 | SUE 205-14 | SFBM205 | 1.5 |
| SUESFBM205-15 | 15/16 | 4.75 | 1.81 | 1.63 | 1.13 | 0.66 | 0.39 | 1.13 | 0.39 | 2.75 | 2.50 | 1.49 | 1.3937 | 0.5630 | 0.7795 | 5/16 | 2542年 | 1,349 | SUE 205-15 | SFBM205 | 1.5 |
| SUESFBM205 | 25 | 4.75 | 1.81 | 1.63 | 1.13 | 0.66 | 0.39 | 1.13 | 0.39 | 2.75 | 2.50 | 1.49 | 1.3937 | 0.5630 | 0.7795 | 5/16 | 2542年 | 1,349 | SUE 205 | SFBM205 | 1.5 |
| SUESFBM205-16 | 1 | 4.75 | 1.81 | 1.63 | 1.13 | 0.66 | 0.39 | 1.13 | 0.39 | 2.75 | 2.50 | 1.49 | 1.3937 | 0.5630 | 0.7795 | 5/16 | 2542年 | 1,349 | SUE 205-16 | SFBM205 | 1.5 |
| SUESFBM206-17 | 1 1/16 | 5.38 | 2.06 | 1.88 | 1.25 | 0.73 | 0.39 | 1.25 | 0.39 | 3.25 | 2.75 | 1.67 | 1.5669 | 0.6262 | 0.8710 | 5/16 | 3,554 | 1,942 | SUE206-17 | SFBM206 | 1.6 |
| SUESFBM206-18 | 1 1/8 | 5.38 | 2.06 | 1.88 | 1.25 | 0.73 | 0.39 | 1.25 | 0.39 | 3.25 | 2.75 | 1.67 | 1.5669 | 0.6262 | 0.8710 | 5/16 | 3,554 | 1,942 | SUE 206-18 | SFBM206 | 1.6 |
| SUESFBM206 | 30 | 5.38 | 2.06 | 1.88 | 1.25 | 0.73 | 0.39 | 1.25 | 0.39 | 3.25 | 2.75 | 1.67 | 1.5669 | 0.6262 | 0.8710 | 5/16 | 3,554 | 1,942 | SUE 206 | SFBM206 | 1.6 |
| SUESFBM206-19 | 1 3/16 | 5.38 | 2.06 | 1.88 | 1.25 | 0.73 | 0.39 | 1.25 | 0.39 | 3.25 | 2.75 | 1.67 | 1.5669 | 0.6262 | 0.8710 | 5/16 | 3,554 | 1,942 | SUE 206-19 | SFBM206 | 1.6 |
| SUESFBM206-20 | 1 1/4 | 5.38 | 2.06 | 1.88 | 1.25 | 0.73 | 0.39 | 1.25 | 0.39 | 3.25 | 2.75 | 1.67 | 1.5669 | 0.6262 | 0.8710 | 5/16 | 3,554 | 1,942 | 苏206 - 20 | SFBM206 | 1.6 |
| SUESFBM207-20 | 1 1/4 | 6.13 | 2.38 | 2.00 | 1.25 | 0.83 | 0.53 | 1.44 | 0.51 | 3.75 | 3.25 | 1.87 | 1.7283 | 0.6890 | 1.0000 | 7/16 | 4,683 | 2,626 | SUE207-20 | SFBM207 | 2.9 |
| SUESFBM207-21 | 1 5/16 | 6.13 | 2.38 | 2.00 | 1.25 | 0.83 | 0.53 | 1.44 | 0.51 | 3.75 | 3.25 | 1.87 | 1.7283 | 0.6890 | 1.0000 | 7/16 | 4,683 | 2,626 | SUE207-21 | SFBM207 | 2.9 |
| SUESFBM207-22 | 1 3/8 | 6.13 | 2.38 | 2.00 | 1.25 | 0.83 | 0.53 | 1.44 | 0.51 | 3.75 | 3.25 | 1.87 | 1.7283 | 0.6890 | 1.0000 | 7/16 | 4,683 | 2,626 | SUE 207-22 | SFBM207 | 2.9 |
| SUESFBM207 | 35 | 6.13 | 2.38 | 2.00 | 1.25 | 0.83 | 0.53 | 1.44 | 0.51 | 3.75 | 3.25 | 1.87 | 1.7283 | 0.6890 | 1.0000 | 7/16 | 4,683 | 2,626 | SUE 207 | SFBM207 | 2.9 |
| SUESFBM207-23 | 1 7/16 | 6.13 | 2.38 | 2.00 | 1.25 | 0.83 | 0.53 | 1.44 | 0.51 | 3.75 | 3.25 | 1.87 | 1.7283 | 0.6890 | 1.0000 | 7/16 | 4,683 | 2,626 | SUE 207-23 | SFBM207 | 2.9 |
| SUESFBM208-24 | 1 1/2 | 6.44 | 2.38 | 1.97 | 1.63 | 0.83 | 0.69 | 1.41 | 0.47 | 3.94 | 3.06 | 2.06 | 1.9764 | 0.7480 | 1.1890 | 3/8 | 5,294 | 3,057 | SUE 208-24 | SFBM208 | 4.0 |
| SUESFBM208-25 | 1 9/16 | 6.44 | 2.38 | 1.97 | 1.63 | 0.83 | 0.69 | 1.41 | 0.47 | 3.94 | 3.06 | 2.06 | 1.9764 | 0.7480 | 1.1890 | 3/8 | 5,294 | 3,057 | SUE 208-25 | SFBM208 | 4.0 |
| SUESFBM208 | 40 | 6.44 | 2.38 | 1.97 | 1.63 | 0.83 | 0.69 | 1.41 | 0.47 | 3.94 | 3.06 | 2.06 | 1.9764 | 0.7480 | 1.1890 | 3/8 | 5,294 | 3,057 | SUE208 | SFBM208 | 4.0 |
| SUESFBM209-26 | 1 5/8 | 6.88 | 2.56 | 2.13 | 1.69 | 0.86 | 0.75 | 1.38 | 0.47 | 4.19 | 3.16 | 2.09 | 1.9764 | 0.7480 | 1.1890 | 3/8 | 5,923 | 3,507 | SUE 209-26 | SFBM209 | 4.4 |
| SUESFBM209-27 | 1 11/16 | 6.88 | 2.56 | 2.13 | 1.69 | 0.86 | 0.75 | 1.38 | 0.47 | 4.19 | 3.16 | 2.09 | 1.9764 | 0.7480 | 1.1890 | 3/8 | 5,923 | 3,507 | SUE 209-27 | SFBM209 | 4.4 |
| SUESFBM209-28 | 1 3/4 | 6.88 | 2.56 | 2.13 | 1.69 | 0.86 | 0.75 | 1.38 | 0.47 | 4.19 | 3.16 | 2.09 | 1.9764 | 0.7480 | 1.1890 | 3/8 | 5,923 | 3,507 | SUE 209-28 | SFBM209 | 4.4 |
| SUESFBM209 | 45 | 6.88 | 2.56 | 2.13 | 1.69 | 0.86 | 0.75 | 1.38 | 0.47 | 4.19 | 3.16 | 2.09 | 1.9764 | 0.7480 | 1.1890 | 3/8 | 5,923 | 3,507 | SUE 209 | SFBM209 | 4.4. |
| SUESFBM210-30 | 1 7/8 | 7.50 | 2.94 | 2.75 | 1.63 | 0.86 | 0.56 | 1.50 | 0.52 | 4.66 | 4.00 | 2.18 | 2.0709 | 0.7480 | 1.2835 | 7/16 | 6,402 | 4,046 | SUE210-30 | SFBM210 | 5.3 |
| SUESFBM210-31 | 1 15/16 | 7.50 | 2.94 | 2.75 | 1.63 | 0.86 | 0.56 | 1.50 | 0.52 | 4.66 | 4.00 | 2.18 | 2.0709 | 0.7480 | 1.2835 | 7/16 | 6,402 | 4,046 | SUE 210-31 | SFBM210 | 5.3 |
| SUESFBM210 | 50 | 7.50 | 2.94 | 2.75 | 1.63 | 0.86 | 0.56 | 1.50 | 0.52 | 4.66 | 4.00 | 2.18 | 2.0709 | 0.7480 | 1.2835 | 7/16 | 6,402 | 4,046 | SUE 210 | SFBM210 | 5.3 |
| SUESFBM210-32 | 2 | 7350 | 2.94 | 2.75 | 1.63 | 0.86 | 0.56 | 1.50 | 0.52 | 4.66 | 4.00 | 2.18 | 2.0709 | 0.7480 | 1.2835 | 7/16 | 6,402 | 4,046 | SUE 210-32 | SFBM210 | 5.3 |
We Also Supply Oher Series Bearings

Company Information
We are a professional bearing exporter in China, producing many different types and sizes of bearings. We can provide you with excellent service in a wide range of bearings with world-class quality, such as deep groove ball bearings, spherical roller bearings, self-aligning ball bearings, cylindrical roller bearings, tapered roller bearings,angular contact ball bearings, needle roller bearings, crossed roller bearings,pillow block bearing, slewing bearings, plain bearings, etc. Bearings can also provide OEM services according to customer requirements. Our bearings products are widely used in various applications, such as port, ship, vehicle, mining, engineering, lifting, environmental protection, oil, chemicals, light industry, metallurgical machinery, the military, etc. Products are exported to the United States, Germany, Japan, Spain, Canada, Italy, France, Finland, South Korea, India, Singapore, Brazil, Australia, and other countries. If you need stainless steel bearings, please contact us.

FAQ
Q. Are you a trading company or a manufacturer?
A: We are a manufacturer.
Q: How long is your stainless steel bearings delivery time?
A: Generally, it is 3-5 days if the goods are in stock. Or it is 15-20 days if the goods are not in stock, according to quantity.
Q: Do you provide samples for stainless steel bearings? Is it free or extra?
是的,我们可以免费提供样品但是做的not pay the freight cost.
Q: Could you accept OEM and customize stainless steel bearings?
A: We can customize it for you according to the sample or drawing.
Q: What are your terms of payment?
A: Payment<=1000USD, 100% in advance.Payment>=1000USD, 30% T/T in advance ,pay the balance before shippment.
Q: Will you check these products before shipment?
A: Our factory QC Process System will strictly inspect products before shipment. We have a professional QC team.
Q: What will we do if you are unsatisfied with the product?
A: If you have any abnormalities, please get in touch with us for the first time, and we will immediately process them.
Q: How to place orders?
A: 1. Email us the model, brand and quantity, consignee information, shipping way, and payment terms;
2. Proforma Invoice made and sent to you;
3. Complete Payment after confirmed the PI;
4. Confirm Payment and arrange the production.
If you need stainless steel bearings or any models of bearings, please contact me!
Product Quick Detail:
- Standard and non-standard available
- With high quality and competitive price
- Prompt delivery
- 包装按客户的德mand.
We promise will offer the best price by the high quality in china! We also accept special order about the products. If you are interested in our products. Please do not hesitate to let us know.We are pleased to give you the detailed information.We promise that our products would be safety and were in high quality and reasonable price. If you are interested in our products, please contact us asap.We are sincerely looking for your cooperation.
Most of our products are exported to Europe or Americas, both standard and nonstandard products available. We can produce as per your drawing or sample. Material can be standard or as per your special request. If you choose us, you choose reliable.

Materials Available
1. Stainless Steel: SS201, SS303, SS304, SS316, SS416, SS420
2. Steel:C45(K1045), C46(K1046),C20
3. Brass:C36000 ( C26800), C37700 ( HPb59), C38500( HPb58), C27200(CuZn37), C28000(CuZn40)
4. Bronze: C51000, C52100, C54400, etc
5. Iron: 1213, 12L14,1215
6. Aluminum: Al6061, Al6063
7.OEM according to your request
Surface Treatment
Annealing, natural canonization, heat treatment, polishing, nickel plating, chrome plating, zinc plating,yellow passivization, gold passivization, satin, Black surface painted etc.
Processing Method
CNC machining, punch,turning, milling, drilling, grinding, broaching, welding and assembly
QC & Certificate
Technicians self-check in production,final-check before package by professional Quality inspector
ISO9001:2008 , ISO14001:2001,ISO/TS 16949:2009
Package & Lead Time
Size: Drawings
Wooden Case/Container and pallet, or as per customized specifications.
15-25days samples. 30-45days offcial order
Port: Shanghai/Ningbo port













