Stainless Steel Tapped Base Pillow Block Bearings
Stainless Steel Tapped Base Pillow Block Bearing is designed for radial loads acting in the direction of the support surface. The benefit of the tapped base pillow block is that its design allows for a narrower width, allowing it to be installed in more compact applications.
Stainless Steel Tapped Base Pillow Block Bearing
Stainless Steel Tapped Base Pillow Block Bearing is designed for radial loads acting in the direction of the support surface. The benefit of the tapped base pillow block is that its design allows for a narrower width, allowing it to be installed in more compact applications. All of our tapped base bearings can be adjusted for static misalignment, allowing the bearing to operate at lower temperatures. We stock imperial and metric stainless steel tapped base bearings and end caps.
Stainless Steel Mounted Units
Stainless Steel Corrosion Resistant Platinum Series features stainless steel insert bearings and stainless housings for unparalleled moisture, corrosion, and abrasion resistance. The effects of humidity, sterilization processes, mild corrosive elements, organic chemicals, and oxidizing agents have been minimized, increasing bearing life and reducing operating costs. With wash-down applications in mind, our stainless housings are made from 304 fine grain stainless steel and are media tumbled, providing an exceptionally smooth and cleanable surface. The design for the 2-bolt flange (SSUCFL), 3-bolt (SSUCFB), and 4-bolt flange (SSUCF) feature solid back construction, which not only increases strength but reduces cavities and the potential for bacteria build-up. The pillow block (SSUCP) and tapped base (SSUCPA) also feature solid base construction for increased stability and durability.
Product parameters
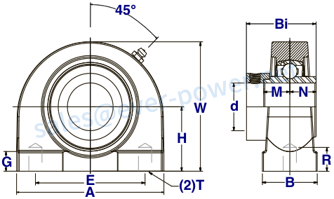
(1)SUCSPAM 200 Normal Duty Tapped Base Bearings With Set Screws
![]() |
![]() |
|
Bearing # |
Shaft Diameter (d) |
(H) |
(A) |
(E) |
(B) |
(R) |
(G) |
(W) |
(Bi) |
(N) |
(M) |
Thread Size |
Dynamic Load Rating (LBS) |
Static Load Rating (LBS) |
Bearing Insert |
Housing Number |
Weight (LBS) |
|---|---|---|---|---|---|---|---|---|---|---|---|---|---|---|---|---|---|
| SUCSPAM201 | 12mm | 1.313 | 2.88 | 2.000 | 1.50 | 0.50 | 0.44 | 2.56 | 1.2205 | 0.5000 | 0.7205 | 3/8-16 | 2331 | 1,142 | SUC 201 | SPAM 204 | 1.6 |
| SUCSPAM201-8 | 1/2" | 1.313 | 2.88 | 2.000 | 1.50 | 0.50 | 0.44 | 2.56 | 1.2205 | 0.5000 | 0.7205 | 3/8-16 | 2331 | 1142 | SUC 201-8 | SPAM 204 | 1.6 |
| SUCSPAM202 | 15mm | 1.313 | 2.88 | 2.000 | 1.50 | 0.50 | 0.44 | 2.56 | 1.2205 | 0.5000 | 0.7205 | 3/8-16 | 2331 | 1142 | SUC 202 | SPAM 204 | 1.6 |
| SUCSPAM202-10 | 5/8" | 1.313 | 2.88 | 2.000 | 1.50 | 0.50 | 0.44 | 2.56 | 1.2205 | 0.5000 | 0.7205 | 3/8-16 | 2331 | 1142 | SUC 202-10 | SPAM 204 | 1.6 |
| SUCSPAM203 | 17mm | 1.313 | 2.88 | 2.000 | 1.50 | 0.50 | 0.44 | 2.56 | 1.2205 | 0.5000 | 0.7205 | 3/8-16 | 2331 | 1142 | SUE 203 | SPAM 204 | 1.6 |
| SUCSPAM204-12 | 3/4" | 1.313 | 2.88 | 2.000 | 1.50 | 0.50 | 0.44 | 2.56 | 1.2205 | 0.5000 | 0.7205 | 3/8-16 | 2331 | 1142 | SUC 204-12 | SPAM 204 | 1.6 |
| SUCSPAM204 | 20mm | 1.313 | 2.88 | 2.000 | 1.50 | 0.50 | 0.44 | 2.56 | 1.2205 | 0.5000 | 0.7205 | 3/8-16 | 2331 | 1142 | SUC 204 | SPAM 204 | 1.6 |
| SUCSPAM205-14 | 7/8" | 1.438 | 3.00 | 2.000 | 1.50 | 0.50 | 0.47 | 2.80 | 1.3425 | 0.5630 | 0.7795 | 3/8-16 | 2542 | 1349 | SUC 205-14 | SPAM 205 | 2.0 |
| SUCSPAM205-15 | 15/16" | 1.438 | 3.00 | 2.000 | 1.50 | 0.50 | 0.47 | 2.80 | 1.3425 | 0.5630 | 0.7795 | 3/8-16 | 2542 | 1349 | SUC 205-15 | SPAM 205 | 2.0 |
| SUCSPAM205 | 25mm | 1.438 | 3.00 | 2.000 | 1.50 | 0.50 | 0.47 | 2.80 | 1.3425 | 0.5630 | 0.7795 | 3/8-16 | 2542 | 1349 | SUC 205 | SPAM 205 | 2.0 |
| SUCSPAM205-16 | 1" | 1.438 | 3.00 | 2.000 | 1.50 | 0.50 | 0.47 | 2.80 | 1.3426 | 0.5630 | 0.7795 | 3/8-16 | 2542 | 1349 | SUC 205-16 | SPAM 205 | 2.0 |
| SUCSPAM206-17 | 1 1/16" | 1.688 | 4.00 | 3.000 | 1.50 | 0.63 | 0.47 | 3.43 | 1.5000 | 0.6260 | 0.8740 | 7/16-14 | 3554 | 1942 | SUC 206-17 | SPAM 206 | 3.1 |
| SUCSPAM206-18 | 1 1/8" | 1.688 | 4.00 | 3.000 | 1.50 | 0.63 | 0.47 | 3.43 | 1.5000 | 0.6260 | 0.8740 | 7/16-14 | 3554 | 1942 | SUC 206-18 | SPAM 206 | 3.1 |
| SUCSPAM206 | 30mm | 1.688 | 4.00 | 3.000 | 1.50 | 0.63 | 0.47 | 3.43 | 1.5000 | 0.6260 | 0.8740 | 7/16-14 | 3554 | 1942 | SUC 206 | SPAM 206 | 3.1 |
| SUCSPAM206-19 | 1 3/16" | 1.688 | 4.00 | 3.000 | 1.50 | 0.63 | 0.47 | 3.43 | 1.5000 | 0.6260 | 0.8740 | 7/16-14 | 3554 | 1942 | SUC 206-19 | SPAM 206 | 3.1 |
| SUCSPAM206-20 | 1 1/4" | 1.688 | 4.00 | 3.000 | 1.50 | 0.63 | 0.47 | 3.43 | 1.5000 | 0.6260 | 0.8740 | 7/16-14 | 3554 | 1942 | SUC 206-20 | SPAM 206 | 3.1 |
| SUCSPAM207-20 | 1 1/4" | 1.875 | 4.25 | 3.250 | 1.89 | 0.75 | 0.47 | 3.74 | 1.6809 | 0.6890 | 1.0000 | 1/2-13 | 4683 | 2626 | SUC 207-20 | SPAM 207 | 4.1 |
| SUCSPAM207-21 | 1 5/16" | 1.875 | 4.25 | 3.250 | 1.89 | 0.75 | 0.47 | 3.74 | 1.6809 | 0.6890 | 1.0000 | 1/2-13 | 4683 | 2626 | SUE 207-21 | SPAM 207 | 4.1 |
| SUCSPAM207-22 | 1 3/8" | 1.875 | 4.25 | 3.250 | 1.89 | 0.75 | 0.47 | 3.74 | 1.6809 | 0.6890 | 1.0000 | 1/2-13 | 4683 | 2626 | SUC 207-22 | SPAM 207 | 4.1 |
| SUCSPAM207 | 35mm | 1.875 | 4.25 | 3.250 | 1.89 | 0.75 | 0.47 | 3.74 | 1.6809 | 0.6890 | 1.0000 | 1/2-13 | 4683 | 2626 | SUC 207 | SPAM 207 | 4.1 |
| SUCSPAM207-23 | 1 7/16" | 1.875 | 4.25 | 3.250 | 1.89 | 0.75 | 0.47 | 3.74 | 1.6809 | 0.6890 | 1.0000 | 1/2-13 | 4683 | 3057 | SUC 207-23 | SPAM 207 | 4.1 |
| SUCSPAM208-24 | 1 1/2" | 1.938 | 4.63 | 3.500 | 1.89 | 0.75 | 0.47 | 3.94 | 1.9370 | 0.7480 | 1.1890 | 1/2-13 | 5294 | 3057 | SUC 208-24 | SPAM 208 | 5.1 |
| SUCSPAM208-25 | 1 9/16" | 1.938 | 4.63 | 3.500 | 1.89 | 0.75 | 0.47 | 3.94 | 1.9370 | 0.7480 | 1.1890 | 1/2-13 | 5294 | 3057 | SUC 208-25 | SPAM 208 | 5.1 |
| SUCSPAM208 | 40mm | 1.938 | 4.63 | 3.500 | 1.89 | 0.75 | 0.47 | 3.94 | 1.9370 | 0.7480 | 1.1890 | 1/2-13 | 5294 | 3057 | SUC 208 | SPAM 208 | 5.1 |
| SUCSPAM209-26 | 1 5/8" | 2.125 | 4.96 | 3.750 | 2.00 | 0.75 | 0.47 | 4.25 | 1.9370 | 0.7480 | 1.1890 | 1/2-13 | 5923 | 3507 | SUC 209-26 | 垃圾邮件209 | 6.1 |
| SUCSPAM209-27 | 1 11/16" | 2.125 | 4.96 | 3.750 | 2.00 | 0.75 | 0.47 | 4.25 | 1.9370 | 0.7480 | 1.1890 | 1/2-13 | 5923 | 35007 | SUC 210-27 | 垃圾邮件209 | 6.1 |
| SUCSPAM209-28 | 1 3/4" | 2.125 | 4.96 | 3.750 | 2.00 | 0.75 | 0.47 | 4.25 | 1.9370 | 0.7480 | 1.1890 | 1/2-13 | 5923 | 3507 | SUC 209-28 | 垃圾邮件209 | 6.1 |
| SUCSPAM209 | 45mm | 2.125 | 4.96 | 3.750 | 2.00 | 0.75 | 0.47 | 4.25 | 1.9370 | 0.7480 | 1.1890 | 1/2-13 | 5923 | 3507 | SUC 209 | 垃圾邮件209 | 6.1 |
| SUCSPAM210-30 | 1 7/8" | 2.250 | 5.50 | 4.000 | 2.00 | 0.87 | 0.55 | 4.61 | 2.0315 | 0.7480 | 1.2835 | 5/8-11 | 6402 | 3507 | SUC 210-30 | SPAM 210 | 7.0 |
(2)SNCSPAM 200 Normal Duty Tapped Base Bearings With Eccentric Locking Collar
![]() |
![]() |
|
Bearing # |
Shaft Diameter (d) |
(H) |
(A) |
(E) |
(B) |
(R) |
(G) |
(W) |
(Bi) |
(N) |
(M) |
Thread Size |
Dynamic Load Rating (LBS) |
Static Load Rating (LBS) |
Bearing Insert |
Housing Number |
Weight (LBS) |
|---|---|---|---|---|---|---|---|---|---|---|---|---|---|---|---|---|---|
| SNCSPAM201-8 | 1/2" | 1.313 | 2.88 | 2.000 | 1.50 | 0.50 | 0.44 | 2.56 | 1.5472 | 0.5000 | 0.6732 | 3/8-16 | 2331 | 1142 | SNC 201-8 | SPAM 204 | 1.7 |
| SNCSPAM202-10 | 5/8" | 1.313 | 2.88 | 2.000 | 1.50 | 0.50 | 0.44 | 2.56 | 1.5472 | 0.5000 | 0.6732 | 3/8-16 | 2331 | 1142 | SNC | SPAM 204 | 1.7 |
| SNCSPAM204-12 | 3/4" | 1.313 | 2.88 | 2.000 | 1.50 | 0.50 | 0.44 | 2.56 | 1.5472 | 0.5000 | 0.6732 | 3/8-16 | 2331 | 1142 | SNC | SPAM 204 | 1.7 |
| SNCSPAM204 | 20mm | 1.313 | 2.88 | 2.000 | 1.50 | 0.50 | 0.44 | 2.56 | 1.5472 | 0.5000 | 0.6732 | 3/8-16 | 2331 | 1142 | SNC | SPAM 204 | 1.7 |
| SNCSPAM205-14 | 7/8" | 1.438 | 3.00 | 2.000 | 1.50 | 0.50 | 0.47 | 2.80 | 1.6220 | 0.5630 | 0.6850 | 3/8-16 | 2542 | 1349 | SNC | SPAM 205 | 2.1 |
| SNCSPAM205-15 | 15/16" | 1.438 | 3.00 | 2.000 | 1.50 | 0.50 | 0.47 | 2.80 | 1.6220 | 0.5630 | 0.6850 | 3/8-16 | 2542 | 1349 | SNC | SPAM 205 | 2.1 |
| SNCSPAM205 | 25mm | 1.438 | 3.00 | 2.000 | 1.50 | 0.50 | 0.47 | 2.80 | 1.6220 | 0.5630 | 0.6850 | 3/8-16 | 2542 | 1349 | SNC | SPAM 205 | 2.1 |
| SNCSPAM205-16 | 1" | 1.438 | 3.00 | 2.000 | 1.50 | 0.50 | 0.47 | 2.80 | 1.6220 | 0.5630 | 0.6850 | 3/8-16 | 2542 | 1349 | SNC | SPAM 205 | 2.1 |
| SNCSPAM206-17 | 1 1/16" | 1.688 | 4.00 | 3.000 | 1.50 | 0.63 | 0.47 | 3.43 | 1.8110 | 0.6260 | 0.7165 | 7/16-14 | 3554 | 1942 | SNC | SPAM 206 | 3.2 |
| SNCSPAM206-18 | 1 1/18" | 1.688 | 4.00 | 3.000 | 1.50 | 0.63 | 0.47 | 3.43 | 1.8110 | 0.6260 | 0.7165 | 7/16-14 | 3554 | 1942 | SNC | SPAM 206 | 3.2 |
| SNCSPAM206 | 30mm | 1.688 | 4.00 | 3.000 | 1.50 | 0.63 | 0.47 | 3.43 | 1.8110 | 0.6260 | 0.7165 | 7/16-14 | 3554 | 1942 | SNC | SPAM 206 | 3.2 |
| SNCSPAM206-19 | 1 3/16" | 1.688 | 4.00 | 3.000 | 1.50 | 0.63 | 0.47 | 3.43 | 1.8110 | 0.6260 | 0.7165 | 7/16-14 | 3554 | 1942 | SNC | SPAM 206 | 3.2 |
| SNCSPAM206-20 | 1 1/4" | 1.688 | 4.00 | 3.000 | 1.50 | 0.63 | 0.47 | 3.43 | 1.8110 | 0.6260 | 0.7165 | 7/16-14 | 3554 | 1942 | SNC | SPAM 206 | 3.2 |
| SNCSPAM207-20 | 1 1/4" | 1.875 | 4.25 | 3.250 | 1.89 | 0.75 | 0.47 | 3.74 | 1.9606 | 0.6890 | 0.7402 | 1/2-13 | 4683 | 2626 | SNC | SPAM 207 | 4.3 |
| SNCSPAM207-21 | 1 5/16" | 1.875 | 4.25 | 3.250 | 1.89 | 0.75 | 0.47 | 3.74 | 1.9606 | 0.6890 | 0.7402 | 1/2-13 | 4683 | 2626 | SNC | SPAM 207 | 4.3 |
| SNCSPAM207-22 | 1 3/8" | 1.875 | 4.25 | 3.250 | 1.89 | 0.75 | 0.47 | 3.74 | 1.9606 | 0.6890 | 0.7402 | 1/2-13 | 4683 | 2626 | SNC | SPAM 207 | 4.3 |
| SNCSPAM207 | 35mm | 1.875 | 4.25 | 3.250 | 1.89 | 0.75 | 0.47 | 3.74 | 1.9606 | 0.6890 | 0.7402 | 1/2-13 | 4683 | 2626 | SNC | SPAM 207 | 4.3 |
| SNCSPAM207-23 | 1 7/16" | 1.875 | 4.25 | 3.250 | 1.89 | 0.75 | 0.47 | 3.74 | 1.9606 | 0.6890 | 0.7402 | 1/2-13 | 4683 | 2626 | SNC | SPAM 207 | 4.3 |
| SNCSPAM208-24 | 1 1/2" | 1.938 | 4.63 | 3.500 | 1.89 | 0.75 | 0.47 | 3.94 | 2.1220 | 0.7480 | 0.8425 | 1/2-13 | 5294 | 3057 | SNC | SPAM 208 | 5.4 |
| SNCSPAM208-25 | 1 9/16" | 1.938 | 4.63 | 3.500 | 1.89 | 0.75 | 0.47 | 3.94 | 2.1220 | 0.7480 | 0.8425 | 1/2-13 | 5294 | 3057 | SNC | SPAM 208 | 5.4 |
| SNCSPAM208 | 40mm | 1.938 | 4.63 | 3.500 | 1.89 | 0.75 | 0.47 | 3.94 | 2.1220 | 0.7480 | 0.8425 | 1/2-13 | 5294 | 3057 | SNC | SPAM 208 | 5.4 |
| SNCSPAM209-26 | 1 5/8" | 2.125 | 4.96 | 3.750 | 2.00 | 0.75 | 0.47 | 4.25 | 2.1220 | 0.7480 | 0.8425 | 1/2-13 | 5923 | 3507 | SNC | 垃圾邮件209 | 6.4 |
| SNCSPAM209-27 | 1 11/16" | 2.125 | 4.96 | 3.750 | 2.00 | 0.75 | 0.47 | 4.25 | 2.1220 | 0.7480 | 0.8425 | 1/2-13 | 5923 | 3507 | SNC | 垃圾邮件209 | 6.4 |
| SNCSPAM209-28 | 1 3/4" | 2.125 | 4.96 | 3.750 | 2.00 | 0.75 | 0.47 | 4.25 | 2.1220 | 0.7480 | 0.8425 | 1/2-13 | 5923 | 3507 | SNC | 垃圾邮件209 | 6.4 |
| SNCSPAM209 | 45mm | 2.125 | 4.96 | 3.750 | 2.00 | 0.75 | 0.47 | 4.25 | 2.1220 | 0.7480 | 0.8425 | 1/2-13 | 5923 | 3507 | SNC | 垃圾邮件209 | 6.4 |
| SNCSPAM210-30 | 1 7/8" | 2.250 | 5.50 | 4.000 | 2.00 | 0.87 | 0.55 | 4.61 | 2.2480 | 0.7480 | 0.9685 | 5/8-11 | 6402 | 4046 | SNC | SPAM 210 | 7.5 |
| SNCSPAM210-31 | 1 15/16" | 2.250 | 5.50 | 4.000 | 2.00 | 0.87 | 0.55 | 4.61 | 2.2480 | 0.7480 | 0.9685 | 5/8-11 | 6402 | 4046 | SNC | SPAM 210 | 7.5 |
| SNCSPAM210 | 50mm | 2.250 | 5.50 | 4.000 | 2.00 | 0.87 | 0.55 | 4.61 | 2.2480 | 0.7480 | 0.9685 | 5/8-11 | 6402 | 4046 | SNC | SPAM 210 | 7.5 |
| SNCSPAM210-32 | 2" | 2.250 | 5.50 | 4.000 | 2.00 | 0.87 | 0.55 | 4.61 | 2.2480 | 0.7480 | 0.9685 | 5/8-11 | 6402 | 4046 | SNC | SPAM 210 | 7.5 |
(3)SHCSPAM 200 Normal Duty Tapped Base Bearings With Wide Inner Ring and Eccentric Locking Collar
![]() |
|
Bearing # |
Shaft Diameter (d) |
(H) |
(A) |
(E) |
(B) |
(R) |
(G) |
(W) |
(Bi) |
(N) |
(M) |
Thread Size |
Dynamic Load Rating (LBS) |
Static Load Rating (LBS) |
Bearing Insert |
Housing Number |
Weight (LBS) |
|---|---|---|---|---|---|---|---|---|---|---|---|---|---|---|---|---|---|
| SHCSPAM204-12 | 3/4" | 1.313 | 2.88 | 2.000 | 1.50 | 0.50 | 0.44 | 2.56 | 1.7205 | 0.6732 | 0.6732 | 3/8-16 | 2331 | 1142 | SHC 204-12 | SPAM 204 | 1.7 |
| SHCSPAM204 | 20mm | 1.313 | 2.88 | 2.000 | 1.50 | 0.50 | 0.44 | 2.56 | 1.7205 | 0.6732 | 0.6732 | 3/8-16 | 2331 | 142 | SHC 204 | SPAM 204 | 1.7 |
| SHCSPAM205-14 | 7/8" | 1438 | 3.00 | 2.000 | 1.50 | 0.50 | 0.47 | 2.80 | 1.7480 | 0.6890 | 0.6850 | 3/8-16 | 2542 | 1349 | SHC 205-14 | SPAM 205 | 2.1 |
| SHCSPAM205-15 | 5/16" | 1438 | 3.00 | 2.000 | 1.50 | 0.50 | 0.47 | 2.80 | 1.7480 | 0.6890 | 0.6850 | 3/8-16 | 2542 | 1349 | SHC 205-15 | SPAM 205 | 2.1 |
| SHCSPAM205 | 25mm | 1438 | 3.00 | 2.000 | 1.50 | 0.50 | 0.47 | 2.80 | 1.7480 | 0.6890 | 0.6850 | 3/8-16 | 2542 | 1349 | SHC 205 | SPAM 205 | 2.1 |
| SHCSPAM205-16 | 1" | 1438 | 3.00 | 2.000 | 1.50 | 0.50 | 0.47 | 2.80 | 1.7480 | 0.6890 | 0.6850 | 3/8-16 | 2542 | 1349 | SHC 205-16 | SPAM 205 | 2.1 |
| SHCSPAM206-17 | 1 1/16" | 1.688 | 4.00 | 3.000 | 1.50 | 0.63 | 0.47 | 3.43 | 1.9055 | 0.7205 | 0.7165 | 7/16-14 | 3554 | 1942 | SHC 206-17 | SPAM 206 | 3.2 |
| SHCSPAM206-18 | 1 1/8" | 1.688 | 4.00 | 3.000 | 1.50 | 0.63 | 0.47 | 3.43 | 1.9055 | 0.7205 | 0.7165 | 7/16-14 | 3554 | 1942 | SHC 206-18 | SPAM 206 | 3.2 |
| SHCSPAM206 | 30mm | 1.688 | 4.00 | 3.000 | 1.50 | 0.63 | 0.47 | 3.43 | 1.9055 | 0.7205 | 0.7165 | 7/16-14 | 3554 | 1942 | SHC 206 | SPAM 206 | 3.2 |
| SHCSPAM206-19 | 1 3/16" | 1.688 | 4.00 | 3.000 | 1.50 | 0.63 | 0.47 | 3.43 | 1.9055 | 0.7205 | 0.7165 | 7/16-14 | 3554 | 1942 | SHC 206-19 | SPAM 206 | 3.2 |
| SHCSPAM206-20 | 1 1/4" | 1.688 | 4.00 | 3.000 | 1.50 | 0.63 | 0.47 | 3.43 | 1.9055 | 0.7205 | 0.7165 | 7/16-14 | 3554 | 1942 | SHC 206-20 | SPAM 206 | 3.2 |
| SHCSPAM207-20 | 1 1/4" | 1.875 | 4.25 | 3.250 | 1.89 | 0.75 | 0.47 | 3.74 | 2.0118 | 0.7402 | 0.7402 | 1/2-13 | 4683 | 2626 | SHC 207-20 | SPAM 207 | 4.3 |
| SHCSPAM207-21 | 1 5/16" | 1.875 | 4.25 | 3.250 | 1.89 | 0.75 | 0.47 | 3.74 | 2.0118 | 0.7402 | 0.7402 | 1/2-13 | 4683 | 2626 | SHC 207-21 | SPAM 207 | 4.3 |
| SHCSPAM207-22 | 1 3/8" | 1.875 | 4.25 | 3.250 | 1.89 | 0.75 | 0.47 | 3.74 | 2.0118 | 0.7402 | 0.7402 | 1/2-13 | 4683 | 2626 | SHC 207-22 | SPAM 207 | 4.3 |
| SHCSPAM207 | 35mm | 1.875 | 4.25 | 3.250 | 1.89 | 0.75 | 0.47 | 3.74 | 2.0118 | 0.7402 | 0.7402 | 1/2-13 | 4683 | 2626 | SHC 207 | SPAM 207 | 4.3 |
| SHCSPAM207-23 | 1 7/16" | 1.875 | 4.25 | 3.250 | 1.89 | 0.75 | 0.47 | 3.74 | 2.0118 | 0.7402 | 0.7402 | 1/2-13 | 4683 | 2626 | SHC 207-23 | SPAM 207 | 4.3 |
| SHCSPAM208-24 | 1 1/2" | 1.938 | 4.63 | 3.500 | 1.89 | 0.75 | 0.47 | 3.94 | 2.2165 | 0.8425 | 0.8425 | 1/2-13 | 5294 | 3057 | SHC 208-24 | SPAM 208 | 5.4 |
| SHCSPAM208-25 | 1 9/16" | 1.938 | 4.63 | 3.500 | 1.89 | 0.75 | 0.47 | 3.94 | 2.2165 | 0.8425 | 0.8425 | 1/2-13 | 5294 | 3057 | SHC 208-25 | SPAM 208 | 5.4 |
| SHCSPAM208 | 40mm | 1.938 | 4.63 | 3.500 | 1.89 | 0.75 | 0.47 | 3.94 | 2.2165 | 0.8425 | 0.8425 | 1/2-13 | 5294 | 3057 | SHC 208 | SPAM 208 | 5.4 |
| SHCSPAM209-26 | 1 5/8" | 2.123 | 4.96 | 3.750 | 2.00 | 0.75 | 0.47 | 4.25 | 2.2165 | 0.8425 | 0.8425 | 1/2-13 | 5923 | 3507 | SHC 209-26 | 垃圾邮件209 | 6.4 |
| SHCSPAM209-27 | 1 11/16" | 2.123 | 4.96 | 3.750 | 2.00 | 0.75 | 0.47 | 4.25 | 2.2165 | 0.8425 | 0.8425 | 1/2-13 | 5923 | 3507 | SHC 209-27 | 垃圾邮件209 | 6.4 |
| SHCSPAM209-28 | 1 3/4" | 2.123 | 4.96 | 3.750 | 2.00 | 0.75 | 0.47 | 4.25 | 2.2165 | 0.8425 | 0.8425 | 1/2-13 | 5923 | 3507 | SHC 209-28 | 垃圾邮件209 | 6.4 |
| SHCSPAM209 | 45mm | 2.123 | 4.96 | 3.750 | 2.00 | 0.75 | 0.47 | 4.25 | 2.2165 | 0.8425 | 0.8425 | 1/2-13 | 5923 | 3507 | SHC 209 | 垃圾邮件209 | 6.4 |
| SHCSPAM210-30 | 1 7/8" | 2.250 | 5.50 | 4.000 | 2.00 | 0.87 | 0.55 | 4.61 | 2.4685 | 0.9685 | 0.9685 | 5/8-11 | 6402 | 4046 | SHC 210-30 | SPAM 210 | 7.5 |
| SHCSPAM210-31 | 1 15/16" | 2.250 | 5.50 | 4.000 | 2.00 | 0.87 | 0.55 | 4.61 | 2.4685 | 0.9685 | 0.9685 | 5/8-11 | 6402 | 4046 | SHC 210-31 | SPAM 210 | 7.5 |
| SHCSPAM210 | 50mm | 2.250 | 5.50 | 4.000 | 2.00 | 0.87 | 0.55 | 4.61 | 2.4685 | 0.9685 | 0.9685 | 5/8-11 | 6402 | 4046 | SHC 210 | SPAM 210 | 7.5 |
| SHCSPAM210-32 | 2" | 2.250 | 5.50 | 4.000 | 2.00 | 0.87 | 0.55 | 4.61 | 2.4685 | 0.9685 | 0.9685 | 5/8-11 | 6402 | 4046 | SHC 210-32 | SPAM 210 | 7.5 |
(4)SUESPAM 200 Normal Duty Tapped Base Bearings With Tru-Loc Concentric Collar Clamp
![]() |
|
Bearing # |
Shaft Diameter (d) |
(H) |
(A) |
(E) |
(B) |
(R) |
(G) |
(W) |
(Bi) |
(N) |
(M) |
Thread Size |
Dynamic Load Rating (LBS) |
Static Load Rating (LBS) |
Bearing Insert |
Housing Number |
Weight (LBS) |
|---|---|---|---|---|---|---|---|---|---|---|---|---|---|---|---|---|---|
| SUESPAM204-12 | 3/4" | 1.313 | 2.88 | 2.000 | 1.50 | 0.50 | 0.44 | 2.56 | 1.2992 | 0.5000 | 0.7205 | 3/8-16 | 2331 | 1142 | SUE 204-12 | SPAM204 | 1.7 |
| SUESPAM204 | 20mm | 1.313 | 2.88 | 2.000 | 1.50 | 050 | 0.44 | 2.56 | 1.2992 | 0.5000 | 0.7205 | 3/8-16 | 2331 | 1142 | SUE 204 | SPAM 204 | 1.7 |
| SUESPAM205-14 | 7/8" | 1.438 | 3.00 | 2.000 | 1.50 | 0.50 | 0.47 | 2.80 | 1.3937 | 0.56300 | 0.7795 | 3/8-16 | 2542 | 1349 | SUE 205-14 | SPAM 205 | 2.1 |
| SUESPAM205-15 | 15/16" | 1.438 | 3.00 | 2.000 | 1.50 | 0.50 | 0.47 | 2.80 | 1.3937 | 0.56300 | 0.7795 | 3/8-16 | 2542 | 1349 | SUE 205-15 | SPAM 205 | 2.1 |
| SUESPAM205 | 25mm | 1.438 | 3.00 | 2.000 | 1.50 | 0.50 | 0.47 | 2.80 | 1.3937 | 0.56300 | 0.7795 | 3/8-16 | 2542 | 1349 | SUE 205 | SPAM 205 | 2.1 |
| SUESPAM205-16 | 1" | 1.438 | 3.00 | 2.000 | 1.50 | 0.50 | 0.47 | 2.80 | 1.3937 | 0.56300 | 0.7795 | 3/8-16 | 2542 | 1349 | SUE 206-16 | SPAM 206 | 3.2 |
| SUESPAM206-17 | 1 1/16" | 1688 | 4.00 | 3.000 | 1.50 | 0.63 | 0.47 | 3.43 | 1.5669 | 0.6260 | 0.8740 | 7/16-14 | 3554 | 1942 | SUE 206-17 | SPAM 206 | 3.2 |
| SUESPAM206-18 | 1 1/8" | 1688 | 4.00 | 3.000 | 1.50 | 0.63 | 0.47 | 3.43 | 1.5669 | 0.6260 | 0.8740 | 7/16-14 | 3554 | 1942 | SUE 206-18 | SPAM 206 | 3.2 |
| SUESPAM206 | 30mm | 1688 | 4.00 | 3.000 | 1.50 | 0.63 | 0.47 | 3.43 | 1.5669 | 0.6260 | 0.8740 | 7/16-14 | 3554 | 1942 | SUE 206 | SPAM 206 | 3.2 |
| SUESPAM206-19 | 1 3/16" | 1688 | 4.00 | 3.000 | 1.50 | 0.63 | 0.47 | 3.43 | 1.5669 | 0.6260 | 0.8740 | 7/16-14 | 3554 | 1942 | SUE 206-19 | SPAM 206 | 3.2 |
| SUESPAM206-20 | 1 1/4" | 1688 | 4.00 | 3.000 | 1.50 | 0.63 | 0.47 | 3.43 | 1.5669 | 0.6260 | 0.8740 | 7/16-14 | 3554 | 1942 | 苏206 - 20 | SPAM 206 | 3.2 |
| SUESPAM207-20 | 1 1/4" | 1.875 | 4.25 | 3.250 | 1.89 | 0.75 | 0.47 | 3.74 | 1.7283 | 0.6890 | 1.0000 | 1/2-13 | 4683 | 2626 | SUE 207-20 | SPAM 207 | 4.3 |
| SUESPAM207-21 | 1 5/16" | 1.875 | 4.25 | 3.250 | 1.89 | 0.75 | 0.47 | 3.74 | 1.7283 | 0.6890 | 1.0000 | 1/2-13 | 4683 | 2626 | SUE 207-21 | SPAM 207 | 4.3 |
| SUESPAM207-22 | 1 3/8" | 1.875 | 4.25 | 3.250 | 1.89 | 0.75 | 0.47 | 3.74 | 1.7283 | 0.6890 | 1.0000 | 1/2-13 | 4683 | 2626 | SUE 207-22 | SPAM 207 | 4.3 |
| SUESPAM207 | 35mm | 1.875 | 4.25 | 3.250 | 1.89 | 0.75 | 0.47 | 3.74 | 1.7283 | 0.6890 | 1.0000 | 1/2-13 | 4683 | 2626 | SUE 207 | SPAM 207 | 4.3 |
| SUESPAM207-23 | 1 7/16" | 1.875 | 4.25 | 3.250 | 1.89 | 0.75 | 0.47 | 3.74 | 1.7283 | 0.6890 | 1.0000 | 1/2-13 | 4683 | 2626 | SUE 207-23 | SPAM 207 | 4.3 |
| SUESPAM208-24 | 1 1/2" | 1.938 | 4.63 | 3.500 | 1.89 | 0.75 | 0.47 | 3.94 | 1.9764 | 0.7480 | 1.1890 | 1/2-13 | 5294 | 3057 | SUE 208-24 | SPAM 208 | 5.4 |
| SUESPAM208-25 | 1 9/16" | 1.938 | 4.63 | 3.500 | 1.89 | 0.75 | 0.47 | 3.94 | 1.9764 | 0.7480 | 1.1890 | 1/2-13 | 5294 | 3057 | SUE 208-25 | SPAM 208 | 5.4 |
| SUESPAM208 | 40mm | 1.938 | 4.63 | 3.500 | 1.89 | 0.75 | 0.47 | 3.94 | 1.9764 | 0.7480 | 1.1890 | 1/2-13 | 5294 | 3057 | SUE 208 | SPAM 208 | 5.4 |
| SUESPAM209-26 | 1 5/8" | 2.125 | 4.96 | 3.750 | 2.00 | 0.75 | 0.47 | 4.25 | 1.9764 | 0.7480 | 1.1890 | 1/2-13 | 5923 | 3507 | SUE 209-26 | 垃圾邮件209 | 6.4 |
| SUESPAM209-27 | 1 11/16" | 2.125 | 4.96 | 3.750 | 2.00 | 0.75 | 0.47 | 4.25 | 1.9764 | 0.7480 | 1.1890 | 1/2-13 | 5923 | 3507 | SUE 209-27 | 垃圾邮件209 | 6.4 |
| SUESPAM209-28 | 1 3/4" | 2.125 | 4.96 | 3.750 | 2.00 | 0.75 | 0.47 | 4.25 | 1.9764 | 0.7480 | 1.1890 | 1/2-13 | 5923 | 3507 | SUE 209-28 | 垃圾邮件209 | 6.4 |
| SUESPAM209 | 45mm | 2.125 | 4.96 | 3.750 | 2.00 | 0.75 | 0.47 | 4.25 | 1.9764 | 0.7480 | 1.1890 | 1/2-13 | 5923 | 3507 | SUE 209 | 垃圾邮件209 | 6.4 |
| SUESPAM210-30 | 1 7/8" | 2.250 | 5.50 | 4.000 | 2.00 | 0.87 | 0.55 | 4.61 | 2.0709 | 0.7480 | 1.2835 | 5/8-11 | 6402 | 4046 | SUE 210-30 | SPAM 210 | 7.5 |
| SUESPAM210-31 | 1 15/16" | 2.250 | 5.50 | 4.000 | 2.00 | 0.87 | 0.55 | 4.61 | 2.0709 | 0.7480 | 1.2835 | 5/8-11 | 6402 | 4046 | SUE 210-31 | SPAM 210 | 7.5 |
| SUESPAM210 | 50mm | 2.250 | 5.50 | 4.000 | 2.00 | 0.87 | 0.55 | 4.61 | 2.0709 | 0.7480 | 1.2835 | 5/8-11 | 6402 | 4046 | SUE 210 | SPAM 210 | 7.5 |
| SUESPAM210-32 | 2" | 2.250 | 5.50 | 4.000 | 2.00 | 0.87 | 0.55 | 4.61 | 2.0709 | 0.7480 | 1.2835 | 5/8-11 | 6402 | 4046 | SUE 210-32 | SPAM 210 | 7.5 |
Stainless Steel Bearing Units Application :
- It is widely used in various mechanical equipment and conveying devices.
- Stainless Steel Plummer blocks are specially designed to meet particular engineering demands for food.
——医疗和化工行业。这有一些excellence such as cleanness, Anti-corrosion, etc.
——轴承箱是由AISIS304和the insert bearings are made of AISI SUS440C, Specially AISI SUS316 also could be used.
We Can Produce Different Stainless Steel Pillow Block Bearing For You.

Company Information
We are a professional bearing exporter in China, producing many different types and sizes of bearings. We can provide you with excellent service in a wide range of bearings with world-class quality, such as deep groove ball bearings, spherical roller bearings, self-aligning ball bearings, cylindrical roller bearings,tapered roller bearings, thrust roller bearings, angular contact ball bearings,needle roller bearings, crossed roller bearings, pillow block bearing, slewing bearings, plain bearings, etc. Bearings can also provide OEM services according to customer requirements. Our bearings products are widely used in various applications, such as port, ship, vehicle, mining, engineering, lifting, environmental protection, oil, chemicals, light industry, metallurgical machinery, the military, etc. Products are exported to the United States, Germany, Japan, Spain, Canada, Italy, France, Finland, South Korea, India, Singapore, Brazil, Australia, and other countries. If you need pillow block bearing, please feel free to contact us.

FAQ
Q. Are you a trading company or a manufacturer?
A: We are a manufacturer.
Q: How long is your pillow block bearings delivery time?
答:一般来说,如果货物是3 - 5天tock. Or it is 15-20 days if the goods are not in stock, according to quantity.
Q: Do you provide samples for pillow block bearings? Is it free or extra?
A: Yes, we could offer the sample for free but do not pay the freight cost.
Q: Could you accept OEM and customize pillow block bearings?
A: We can customize it for you according to the sample or drawing.
Q: What are your terms of payment?
A: Payment<=1000USD, 100% in advance.Payment>=1000USD, 30% T/T in advance ,pay the balance before shippment.
Q: Will you check these products before shipment?
A: Our factory QC Process System will strictly inspect products before shipment. We have a professional QC team.
Q: What will we do if you are unsatisfied with the product?
A: If you have any abnormal, Please contact us for the first time, and we will immediately process them.
Q: How to place orders?
A: 1. Email us the model, brand and quantity, consignee information, shipping way, and payment terms;
2. Proforma Invoice made and sent to you;
3. Complete Payment after confirmed the PI;
4. Confirm Payment and arrange the production.
If you need pillow block bearings or any models of bearings, please contact us!
Product Quick Detail:
- Standard and non-standard available
- With high quality and competitive price
- Prompt delivery
- 包装按客户的需求。
We promise will offer the best price by the high quality in china! We also accept special order about the products. If you are interested in our products. Please do not hesitate to let us know.We are pleased to give you the detailed information.We promise that our products would be safety and were in high quality and reasonable price. If you are interested in our products, please contact us asap.We are sincerely looking for your cooperation.
Most of our products are exported to Europe or Americas, both standard and nonstandard products available. We can produce as per your drawing or sample. Material can be standard or as per your special request. If you choose us, you choose reliable.

Materials Available
1. Stainless Steel: SS201, SS303, SS304, SS316, SS416, SS420
2. Steel:C45(K1045), C46(K1046),C20
3. Brass:C36000 ( C26800), C37700 ( HPb59), C38500( HPb58), C27200(CuZn37), C28000(CuZn40)
4. Bronze: C51000, C52100, C54400, etc
5. Iron: 1213, 12L14,1215
6. Aluminum: Al6061, Al6063
7.OEM according to your request
Surface Treatment
Annealing, natural canonization, heat treatment, polishing, nickel plating, chrome plating, zinc plating,yellow passivization, gold passivization, satin, Black surface painted etc.
Processing Method
CNC machining, punch,turning, milling, drilling, grinding, broaching, welding and assembly
QC & Certificate
Technicians self-check in production,final-check before package by professional Quality inspector
ISO9001:2008 , ISO14001:2001,ISO/TS 16949:2009
Package & Lead Time
Size: Drawings
Wooden Case/Container and pallet, or as per customized specifications.
15-25days samples. 30-45days offcial order
Port: Shanghai/Ningbo port














