G分体式锥度衬套
G分体式锥度衬套
有许多不同类型的锥形衬套,了解每一种可以帮助您最大限度地发挥您的部分。这里有一些需要考虑的事情。请继续阅读以获取更多信息。此外,还要知道它们的用途。用锥形衬套连接两个轴。标准锥形衬套有两个平行半径,而锥形锁定衬套有一个四度半径。
圆锥衬套用于电力传输应用。它们由精密铸铁制成,通常没有法兰。它们沿着轴的长度分开,这使它们能够提供出色的夹紧力。嵌壁式顶灯也很常见。它们的均匀安装意味着它们在高扭矩应用中非常有效。要了解更多信息,请继续阅读以了解有关这些流行衬套的更多信息。
一种最常见的类型是分体锥形衬套。这种类型的衬套用于安装链轮,滑轮和轴上的滑轮。分裂锥形衬套的桶在两点上分裂,因此即使当紧固件松动时,内径压缩并保持轴上的驱动部分。分体锥形衬套在不同制造商之间是可互换的。
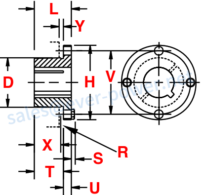
G型分体式锥形衬套尺寸

- 衬套类型:G型
- 孔径尺寸:10mm, 11/16", 11mm, 14mm, 15/16", 16mm, 18mm, 19mm, 20mm, 22mm, 24mm, 25mm, 7/16", 9/16"
- 尺寸(L): 1”
- 尺寸(U): 1/4"
- 尺寸(T): 3/4"
- 大端尺寸(D): 1.172"
- 小端面尺寸(D): 1.133"
- 尺寸(H): 2”
- 尺寸(V): 1-9/16"
- 尺寸(X): 5/8"
- 尺寸(Y): 3/16"
- 尺寸:1/8"
- 尺寸:3/16"
- 螺丝数量:2个
- 帽螺丝尺寸:1/4" X 5/8"
- 扳手扭矩:95磅
- 重量:0.5磅
为您的应用选择锥形衬套
在为您的应用选择正确的锥形衬套时,您需要为组件选择正确的孔。一个简单的尺寸表显示的标准尺寸锥形锁定衬套可以在网上找到。但是,请记住,这个图表只显示了基本的尺寸要求。您的实际螺栓孔可能与所示尺寸不同。应该根据应用程序和集线器类型选择正确的大小。
分体式锥形衬套也可用于法兰设计。它们通常用于滑轮和滑轮上,以消除对钻孔零件的需求。分体锥形衬套的设计便于在制造商之间交换,即使紧固件松动也能保持其形状。这些多功能衬套通常由带有黑色氧化涂层的钢制成,以防止生锈。
锥形衬套是一种带有楔形手柄的衬套。它们用于动力传动部件,将轴连接到滚轮和滑轮上。锥形衬套的楔形握把允许快速安装和拆卸,而不会变形轴。一些常见的锥形衬套类型包括QD和锥形锁紧。如果您正在为您的应用程序寻找锥形衬套,您会很高兴地知道有几种类型可供选择,包括常规和高强度衬套
安装
1.确保被驱动产品的衬套锥体和内部清洁,并无防卡润滑剂。
2.将衬套放入链轮或其他接受衬套的部件类型中。
3.将盖螺丝松松地放入上拉孔。衬套保持松散,以确保在轴上有一个合适的滑移。
4.使用轴上的键,将链轮或其他部件类型滑动到轴上所需的位置。确保瓶盖螺丝的头是可触及的。
5.对齐链轮或零件类型,交替递增地拧紧螺钉,直到拧紧为止。不要在扳手手柄上使用加长件,不要让链轮或零件被拉出并接触衬套法兰。此时轴套法兰与链轮之间应有间隙,以保证间隙不闭合。
删除
1.松开并拆下帽螺丝。
2.将盖螺丝插入螺纹拆卸孔中。
3.拧紧插入的螺钉,直到链轮或其他类型的部件松动在轴上。
4.从轴上拆卸链轮/零件类型。
Q1。你们是工厂吗?
答:是的。我们是一家拥有超过15年制造经验的工厂。
Q2。是否提供OEM和ODM服务?
答:当然。我们有多年的oem和ODM服务经验。
第三季。我从另一家供应商那里购买,但需要更好的服务。你会和我付的价格一样或更高吗?
A.我们一直认为我们提供最好的服务和有竞争力的价格。我们很乐意为您提供个性化的竞争性报价,请通过电子邮件发送给我们。
额外的信息
| 编辑 | 残雪 |
|---|
产品快速详细信息:
- 可提供标准和非标准
- 质优价廉
- 即期交货
- 按客户要求包装。
我们承诺将以高品质提供中国最优惠的价格!我们也接受特殊订货。如果您对我们的产品感兴趣。请不要犹豫让我们知道。我们很高兴向您提供详细情况。我们承诺,我们的产品将是安全的,在高质量和合理的价格。如果您对我们的产品感兴趣,请尽快与我们联系。我们真诚地期待您的合作。
我们的产品大部分出口到欧洲或美洲,有标准和非标准产品。我们可以按你的图纸或样品生产。材料可以是标准的,也可以根据您的特殊要求。选择我们,就是选择可靠。

材料可用
1.不锈钢:SS201, SS303, SS304, SS316, SS416, SS420
2.钢:C45 (K1045) C46 (K1046),甜
3.黄铜:C36000 (C26800)、C37700 (HPb59)、C38500(HPb58)、C27200(CuZn37)、C28000(CuZn40)
4.青铜:C51000、C52100、C54400等
5.铁:1213、12L14、1215
6.铝:Al6061、Al6063
7.根据您的要求OEM
表面处理
退火、自然封圣、热处理、抛光、镀镍、镀铬、镀锌、黄色钝化、金色钝化、缎面、黑色漆面等。
处理方法
数控加工、冲床、车削、铣削、钻削、磨削、拉削、焊接、装配
QC &证书
生产中技术人员自检,包装前由专业质检员进行最终检查
Iso9001:2008、iso14001:2001、iso / ts 16949:2009
包装和交货时间
大小:图纸
木箱/集装箱和托盘,或根据客户定制的规格。
15-25days样本。30-45天正式订单
港口:上海港/宁波港





