NMRV Worm Reducer
ANMRV-NRV worm gear reduceris one type of reduction gear box that consists of a worm pinion input, an output worm gear, and features a right angle output orientation. This type of reduction gearbox is generally used to take a rated motor speed and produce a low-speed output with higher torque value based on the reduction ratio. They often can solve space-saving problems because theNMRV-NRVworm gear reducersare one of the sleekest reduction gearboxes available due to the small diameter of its output gear.
The rating input power and output torque of the reducer are established on the basis of an ideal condition that the reducer is operating continuously for 8 hours per day under a constant load. If the load or operating condition changes, the output torque changes also.
NMRV-NRV Worm Gear Speed Reduction Unit
Material is cast iron and steel
Standard and non-standard available
With high quality and competitive price
Prompt delivery
Packing as per customer’s demand
An NMRV reducer is a practical transmission equipment. Its appearance design and integration are more attractive and it has better functionality than other types of reducers. Its unique aluminum alloy body design and advanced technology make it more popular than other types. This NMRV reducer is easy to connect and it works smoothly. It also has an excellent performance in reducing torque.
The NMRV reducer is characterized by its square box external structure and advanced technology. The benefits of the NMRV reducer are its high strength, low weight, and exquisite appearance. It is also easy to connect, requires no coupling, and works smoothly.
NMRV worm gearbox has numerous applications in the chemical manufacturing, printing, dyeing, and plastics industries. Its advantages make it a perfect choice for these industries.
As a professionalworm drive gear motor supplier, Ever-power 20多年的先进的technology and experience, and we will give strong support for the NMRV-NRV Worm Gear Speed Reduction you need. We will understand your need for the product quickly and give a quick response and good service. Many cases of our products will show you that it is worth your trust.
Under the full quality control system, our products go through the precise product line and strict testing process. We have excellent working flow and standards to ensure stability, and products reliable enough for use.
Taking our scale economy, raw material superiority, and sincerity for clients to account, our prices do have great competitiveness. They are good value and cost-effective than your imagine.
We sincerely hope to establish long and friendly business relations with clients from all over the world. Our goal is not just to provide product, but also to provide a complete solution, including product design, tooling, fabrication and service for our customers to achieve their utmost satisfaction.
Ever-power is a China gearbox and speed reducer manufacturer and supplier who specializes in worm reducers, worm gearboxes, planetary gearboxes, cycloidal speed reducers, variators, helical gear, sprial bevel gears, agricultural gearboxes, marine gearbox, tractor gears, truck gears, electric motors, Screw actuators.
Request a free quote
Worm Reducer Service factor & Installation notice
Mesh Data
NMRV Performance
NRV Performance
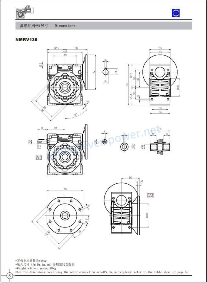
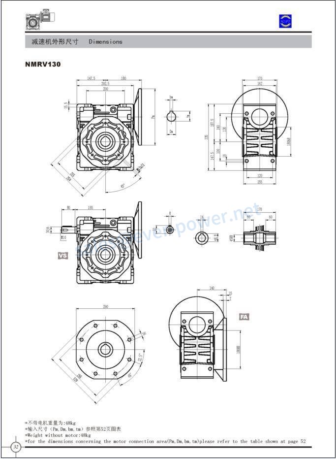
NMRV Dimensions
NRV Dimensions
Products Display

Stainless Steel Gearbox gearmotor for Rigorous Washdown Application

WMRV Stainless Steel Worm Gear Reducer

EPRV WORM GEAR REDUCER

EPRV-E WORM GEAR REDUCER

EPRV WORM GEAR REDUCER

EPV-E WORM GEAR REDUCER

EPV DOUBLE WORM GEAR REDUCER

IRON SHELL EP WORM GEAR REDUCER

High Precision Worm Gearbox-Ever Power JDLB Series High Precision Worm Gear Unit

Worm Reduction

Worm Motor

Worm Drive

Worm Gear Winch

Worm Gear Box Assembly

Worm Reduction Gearbox

NEMA 23 Stepper Motor Worm Gearbox

Self Locking Gearbox

Nmrv 063 Gearbox

Aluminium Worm Gearbox

Gearbox Worm Drive

Small Worm Gear Reducer

Double Reduction Worm Gearbox

Compact Worm Gearbox

RV Series Worm Reducer

Cast Iron Worm Reducers

Stainless steel worm reducers

Worm Gear Reducers For Winch

Worm Gear Reducers For Hoists

Worm Reducer For Continuous Casting Machine

Worm Reducer For Pipe Welding Machine

Worm Reducer For Rubber Tire Curing Press

Worm Reducer For Dried Powder Press

Worm Reducer For Paper Cutting Machine

Worm Reducer For Construction Hoist

Worm Gear Drive Screw Actuator

Servo Worm Gearboxes

Worm Gear Box For Solar Tracking System

Worm Gearbox For Automatic Car Wash Machine

Worm Gear Operators

Special Worm Reducer For Tyre Changer

Low Backlash Right Angle Servo Worm Reducer

Worm Gear Valve Actuator

One-Step Valve Actuator-H Type

Multi-Steps Valve Actuator-H Type

Two-Stage Valve Worm Gear Operator-V Type

Valve Actuators

Greenhouse Window Ventilation – Heat Curtain Reducers

Motor worm gearboxes

Greenhouse Geared Motors System

Lifting Gearbox

Motor worm gearboxes

Motor Worm Gearboxes

Motor worm gearboxes

Motor Gearboxes For Hoisting Systems

Motor Gearboxes For Greenhouse

Motor Gearboxes With Winch Drum

Pinion Drive For Greenhouse

Motor Gearboxes With Rack

gear motor for shading system

gear motor for glass greenhouse ventilation

Worm gear linear actuator

Slew drives for solar tracker

Worm Gear Slew Drive

Stainless Steel Worm Reducer

Worm Gear Screw Lift

Worm gear units

Worm geared motors
Worm Reducers NMRV Performance
Worm Reducers NRV Performance
Worm Reducers NMRV Dimensions
Worm Reducers NRV Dimensions
Request For Quotation




















































































