双轴叶片混合机专用减速机


性能和特性
本系列减速机适用于两轴叶片式混合机。双空心轴的输出方式,最大限度地节省了安装空间和生产成本,使设备运行更加平稳、高效。
串联减速器由四级齿轮驱动。齿轮材料为低碳合金钢。渗碳、淬火、磨削。齿轮表面硬度达到
58-62HRC,齿轮精度达到6级(ISO1328)。与国内外同类产品相比,具有体积小、重量轻、使用可靠、维护方便、使用寿命长等特点。
应用场合
双轴叶片式搅拌机广泛应用于干砂浆、化工、农药、陶瓷、食品、饲料、电池等行业。设备工作时,双轴相对反向旋转带动不同角度的叶片,使物料沿轴向和径向循环转动。在高线速度的作用下,物料向上抛掷,并处于无重力(即无重力)状态。物料上下抛掷时,物料的交叉混合达到均匀。
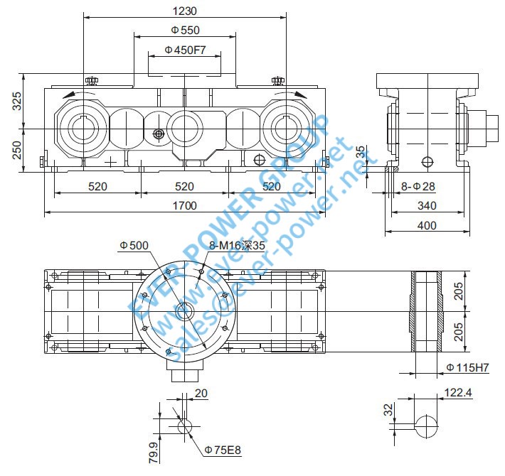
模型:EPG3L450-AM132-30
技术参数
中心距: 450毫米
电动机: 7.5 kw-4p
比:30
输出速度: 50转
适用于0.25 m³- 0.5 m³无重力两轴混合器
安装图

模型:EPG3L570-AM160-35
技术参数
中心距: 570毫米
电动机: 11kW-4P / 15kW-4P
比:35
输出速度: 41 rpm
适用于0.5 m³- 0.75 m³无重力两轴混合器
安装图

EPG双轴叶片混合机专用减速机








工业应用


产品快速的细节:
- 可提供标准和非标准
- 质量上乘,价格有竞争力
- 即期交货
- 按客户要求包装。
我们承诺以高质量的产品提供中国最优惠的价格!我们也接受有关产品的特殊订单。如果您对我们的产品感兴趣。请不要犹豫让我们知道。我们很高兴能给你提供详细的信息。我们保证我们的产品是安全的,高质量,合理的价格。如果您对我们的产品感兴趣,请尽快与我们联系。我们真诚期待与您的合作。
我们的产品大部分出口到欧洲或美洲,可提供标准和非标准产品。我们可以按您的图纸或样品生产。材料可以是标准的或根据您的特殊要求。如果你选择我们,你就选择了可靠。

材料可用
1.不锈钢材质:SS201、SS303、SS304、SS316、SS416、SS420
2.钢:C45 (K1045) C46 (K1046),甜
3.黄铜:C36000 (C26800), C37700 (HPb59), C38500(HPb58), C27200(CuZn37), C28000(CuZn40)
4.青铜:C51000、C52100、C54400等
5.铁:1213,12 l14, 1215
6.铝:Al6061 Al6063
7.根据您的要求OEM
表面处理
退火、自然正火、热处理、抛光、镀镍、镀铬、镀锌、黄钝化、金钝化、缎面、黑色表面涂漆等。
处理方法
数控加工、冲床、车削、铣削、钻孔、磨削、拉削、焊接、组装
质量控制及证书
技术人员在生产过程中进行自检,包装前由专业质检员进行最终检查
Iso9001:2008、iso14001:2001、iso / ts 16949:2009
包装和交货时间
大小:图纸
木箱/集装箱和托盘,或根据定制的规格。
15-25days样本。30-45days关员秩序
港口:上海/宁波港口
常见问题解答
贵公司是贸易公司还是制造商?
A:我们集团有三家工厂和两家海外销售公司。
问:你们提供样品吗?是免费的还是额外的?
A:是的,我们可以免费提供样品,但不付运费。
你们的交货时间是多长?你们的付款方式是什么?
A:一般是40-45天。时间可能会根据产品和定制的程度而有所不同。标准产品的付款方式为:30%预付款电汇,余款发货前付清。
问:你们产品的最小起订量或价格是多少?
A:作为OEM公司,我们可以提供并调整我们的产品以满足广泛的需求。因此,根据尺寸、材料和进一步的规格,最小起订量和价格可能会有很大的不同;例如,高成本产品或标准产品的MOQ通常较低。请与我们联系所有相关细节,以获得最准确的报价。


