LHT系列谐波驱动

LHT / LHN额定参数
| 模型 | 减少比例 | 2000r / min输入的额定扭矩 | 启动和停止允许的峰值扭矩 | 平均负载扭矩的允许最大值 | 容许最大瞬时转矩 | 允许的最大输入转速 | 允许的平均输入转速 | 反弹 | 设计寿命 | ||||
| 油脂 | 油脂 | ||||||||||||
| 纳米 | kgfm. | 纳米 | kgfm. | 纳米 | kgfm. | 纳米 | kgfm. | r /分钟 | r /分钟 | arc sec | 小时 | ||
| 14 | 50. | 6.2 | 0.6 | 20.7 | 2.1 | 7.9 | 0.7 | 40.3 | 4.1 | 7000. | 3000 | ≤30. | 10000 |
| 80 | 9 | 0.9 | 27. | 2.7 | 12.7 | 1.3 | 54.1 | 5.5 | |||||
| One hundred. | 9 | 0.9 | 32. | 3.3. | 12.7 | 1.3 | 62.1 | 6.3 | |||||
| 17 | 50. | 18.4 | 1.9 | 39. | 4 | 29.9 | 3. | 80.5 | 8.2 | 6500 | 3000 | ≤30. | 15000. |
| 80 | 25.3 | 2.6 | 49.5 | 5 | 31. | 3.2 | 100.1 | 10.2 | |||||
| One hundred. | 27.6 | 2.8 | 62. | 6.3 | 45. | 4.6 | 124.2 | 12.7 | |||||
| 20. | 50. | 28.8 | 2.9 | 64.4 | 6.6 | 39. | 4 | 112.7 | 11.5 | 5600 | 3000 | ≤30. | 15000. |
| 80 | 39.1. | 4 | 85. | 8.8 | 54. | 5.5 | 146.1 | 14.9 | |||||
| One hundred. | 46. | 4.7 | 94.3. | 9.6 | 56. | 5.8 | 169.1 | 17.2 | |||||
| 120 | 46. | 4.7 | One hundred. | 10.2 | 56. | 5.8 | 169.1 | 17.2 | |||||
| 160. | 46. | 4.7 | One hundred. | 10.2 | 56. | 5.8 | 169.1 | 17.2 | |||||
| 25. | 50. | 44.9 | 4.6 | 113 | 11.5 | 63. | 6.5 | 213.9 | 21.8 | 4800 | 3000 | ≤30. | 15000. |
| 80 | 72.5 | 7.4 | 158. | 16.1 | One hundred. | 10.2 | 293.3. | 29.9 | |||||
| One hundred. | 77.1 | 7.9 | 181. | 18.4 | 124 | 12.7 | 326.6 | 33.3 | |||||
| 120 | 77.1 | 7.9 | 192. | 19.6 | 124 | 12.7 | 349.6 | 35.6 | |||||
| 32. | 50. | 87.4 | 8.9 | 248 | 25.3 | 124 | 12.7 | 439 | 44.8 | 4000 | 3000 | ≤30. | 15000. |
| 80 | 135.7 | 13.8 | 350 | 35.6 | 192. | 19.6 | 653 | 66.6 | |||||
| One hundred. | 157.6 | 16.1 | 383. | 39.1. | 248 | 25.3 | 744 | 75.9 | |||||
| 40 | One hundred. | 308 | 37.2 | 660 | 67. | 432 | 44. | 1232 | 126.7 | 4000 | 3000 | ≤30. | 15000. |
LHG额定参数
| 模型 | 减少比例 | 2000r / min输入的额定扭矩 | 启动和停止允许的峰值扭矩 | 平均负载扭矩的允许最大值 | 容许最大瞬时转矩 | 允许的最大输入转速 | 允许的平均输入转速 | 反弹 | 设计寿命 | ||||
| 油脂 | 油脂 | ||||||||||||
| 纳米 | kgfm. | 纳米 | kgfm. | 纳米 | kgfm. | 纳米 | kgfm. | r /分钟 | r /分钟 | arc sec | 小时 | ||
| 14 | 50. | 7 | 0.7 | 23. | 2.3 | 9 | 0.9 | 46. | 4.7 | 14000. | 8500 | ≦ | 15000. |
| 80 | 10 | 1 | 30. | 3.1 | 14 | 1.4 | 61. | 6.2 | |||||
| One hundred. | 10 | 1 | 36. | 3.7 | 14 | 1.4 | 70 | 7.2 | |||||
| 17 | 50. | 21. | 2.1 | 44. | 4.5 | 34. | 3.4 | 91. | 9 | 10000 | 7300 | ≦ | 20000 |
| 80 | 29. | 2.9 | 56. | 5.7 | 35. | 3.6 | 113 | 12 | |||||
| One hundred. | 31. | 3.2 | 70 | 7.2 | 51. | 5.2 | 143. | 15 | |||||
| 20. | 50. | 33. | 3.3. | 73. | 7.4 | 44. | 4.5 | 127. | 13 | 10000 | 6500 | ≦ | 20000 |
| 80 | 44. | 4.5 | 96. | 9.8 | 61. | 6.2 | 165. | 17 | |||||
| One hundred. | 52. | 5.3 | 107 | 10.9 | 64. | 6.5 | 191. | 20. | |||||
| 120 | 52. | 5.3 | 113 | 11.5 | 64. | 6.5 | 191. | 20. | |||||
| 160. | 52. | 5.3 | 120 | 12.2 | 64. | 6.5 | 191. | 20. | |||||
| 25. | 50. | 51. | 5.2 | 127. | 13 | 72. | 7.3 | 242 | 25. | 7500 | 5600 | ≦ | 20000 |
| 80 | 82. | 8.4 | 178. | 18 | 113 | 12 | 332 | 34. | |||||
| One hundred. | 87. | 8.9 | 204 | 21. | 140. | 14 | 369. | 38. | |||||
| 120 | 87. | 8.9 | 217 | 22. | 140. | 14 | 395. | 40 | |||||
| 32. | 50. | 99. | 10 | 281. | 29. | 140. | 14 | 497. | 51. | 7000. | 4800 | ≦ | 20000 |
| 80 | 153. | 16 | 395. | 40 | 217 | 22. | 738 | 75. | |||||
| One hundred. | 178. | 18 | 433 | 44. | 281. | 29. | 841 | 86. | |||||
| 40 | One hundred. | 345 | 35. | 738 | 75. | 484 | 49. | 1400. | 143. | 5600 | 4000 | ≦ | 20000 |
LHT系列

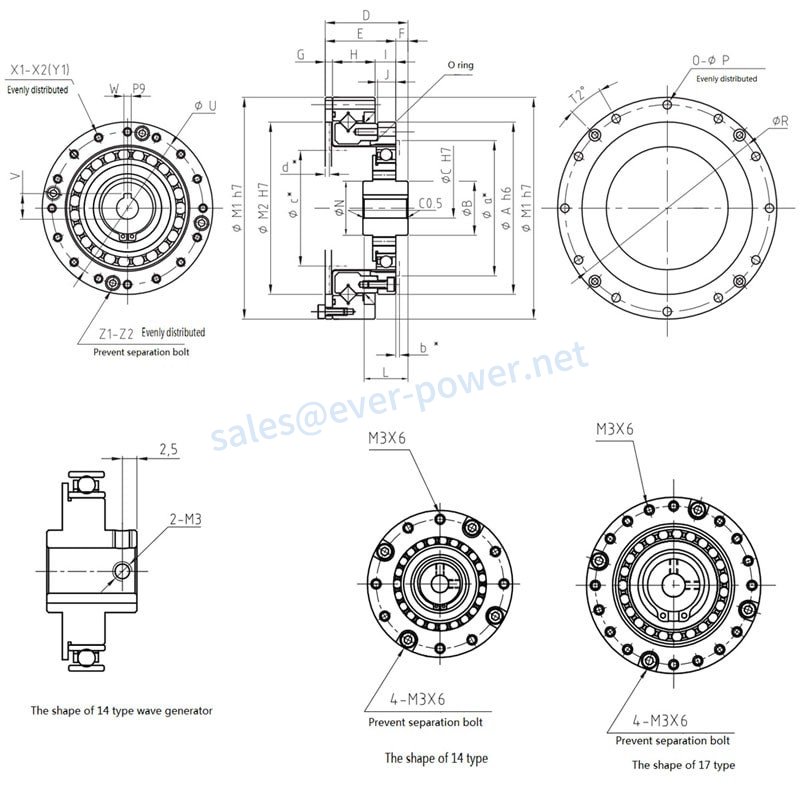
LHT / LHG-I系列

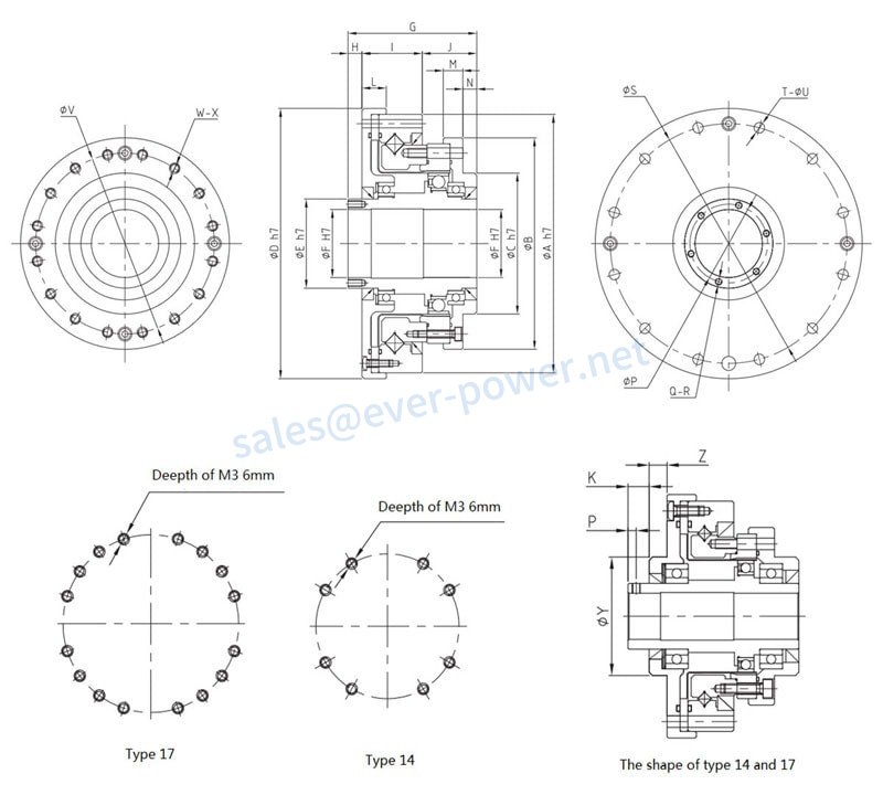
LHT / LHG-II系列

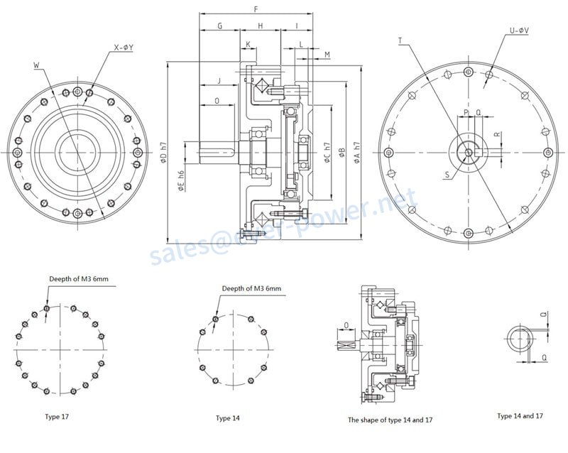
LHT / LHG-III系列

LHT / LHN / LHG-IV系列

LHT / LHN LHG-V系列

产品快速详情:
- 可提供标准和非标准
- 质量高,价格高
- 交货及时
- 按客户要求包装。
我们承诺以高质量的产品提供中国最优惠的价格!我们也接受有关产品的特殊订单。如果您对我们的产品感兴趣。请不要犹豫让我们知道。我们很高兴能给你提供详细的信息。我们保证我们的产品是安全的,高质量,合理的价格。如果您对我们的产品感兴趣,请尽快与我们联系。我们真诚期待与您的合作。
我们的大部分产品都出口到欧洲或美洲,包括标准和非标准产品。我们可以根据您的绘图或样品生产。材料可以是标准的或根据您的特殊要求。如果您选择我们,则选择可靠。

可用材料
1.不锈钢材质:SS201、SS303、SS304、SS316、SS416、SS420
2.钢:C45(K1045),C46(K1046),C20
3.黄铜:C36000 (C26800), C37700 (HPb59), C38500(HPb58), C27200(CuZn37), C28000(CuZn40)
4.青铜:C51000,C52100,C54400等
5.铁:1213,12L14,1215
6.铝:Al6061 Al6063
7.根据您的要求
表面处理
退火,天然佳能,热处理,抛光,镀镍,镀铬,镀锌,黄色钝化,金钝化,缎面,黑色表面涂漆等。
处理方法
数控加工、冲床、车削、铣削、钻孔、磨削、拉削、焊接、组装
QC&证书
技术人员在生产中自检,通过专业质量检查员包装之前的最后检查
Iso9001:2008、iso14001:2001、iso / ts 16949:2009
包装和交货时间
尺寸:图纸
木箱/集装箱和托盘,或根据定制的规格。
15-25days样本。30-45days关员秩序
港口:上海/宁波港口
常问问题
贵公司是贸易公司还是制造商?
A:我们集团有三家工厂和两家海外销售公司。
问:你提供样品吗?它是免费还是额外的?
答:是的,我们可以为免费收费提供样本,但不支付货物的费用。
问:你的交货时间有多长?您的付款条件是什么?
答:一般是40-45天。时间可能因产品和定制水平而异。对于标准产品,付款是:提前30%T / T,装运前的平衡。
问:您的产品的确切MOQ或价格是多少?
A:作为OEM公司,我们可以提供并调整我们的产品以满足广泛的需求。因此,根据尺寸、材料和进一步的规格,最小起订量和价格可能会有很大的不同;例如,高成本产品或标准产品的MOQ通常较低。请与我们联系所有相关细节,以获得最准确的报价。


