EPL Planetary Gearbox


EPL Planetary Gearbox EPL EPLanetary gearboxes technical data: EPL EPLanetary gearboxes dimensions
| Type | EPL40 | EPL60 | EPL90 | EPL120 | EPL160 | Ratio | Stages | |
| Nominal output torqueT2N | Nm | 25 | 66 | 158 | 337 | 950 | 3 | 1 |
| 27.5 | 71.5 | 172.5 | 360 | 1030 | 4 | |||
| 23 | 53 | 124 | 300 | 850 | 5 | |||
| 10 | 26 | 67 | 150 | 510 | 8 | |||
| - - | - - | - - | 150 | 510 | 10 | |||
| 25 | 66 | 158 | 337 | 950 | 9 | 2 | ||
| 25 | 66 | 158 | 337 | 950 | 12 | |||
| 25 | 66 | 158 | 337 | 950 | 15 | |||
| 27.5 | 71.5 | 172.5 | 360 | 1030 | 16 | |||
| 27.5 | 71.5 | 172.5 | 360 | 1030 | 20 | |||
| 23 | 53 | 124 | 300 | 850 | 25 | |||
| 27.5 | 71.5 | 172.5 | 360 | 1030 | 32 | |||
| 23 | 53 | 124 | 300 | 850 | 40 | |||
| 10 | 26 | 67 | 150 | 510 | 64 | |||
| 25 | 66 | 158 | 337 | 950 | 60 | 3 | ||
| 27.5 | 71.5 | 172.5 | 360 | 1030 | 80 | |||
| 27.5 | 71.5 | 172.5 | 360 | 1030 | 100 | |||
| 25 | 66 | 158 | 337 | 950 | 120 | |||
| 27.5 | 71.5 | 172.5 | 360 | 1030 | 160 | |||
| 23 | 53 | 124 | 300 | 850 | 200 | |||
| 27.5 | 71.5 | 172.5 | 360 | 1030 | 256 | |||
| 23 | 53 | 124 | 300 | 850 | 320 | |||
| 10 | 26 | 67 | 150 | 510 | 512 | |||
| Emergency stop | T2Not=2T2N | |||||||
| Type | EPL40 | EPL60 | EPL90 | EPL120 | EPL160 | Stages | |
| Frmax.for10.000h | N | 185 | 280 | 490 | 1250 | 3500 | |
| Famax.for10.000h | N | 280 | 480 | 800 | 1900 | 5200 | |
| Efficiency with full load | % | 96 | 1 | ||||
| 94 | 2 | ||||||
| 90 | 3 | ||||||
| Average lifetime | h | 20000 | |||||
| Weight | Kg | 0.35 | 0.9 | 2.1 | 6 | 19 | 1 |
| 0.45 | 1.1 | 2.6 | 7.8 | 24 | 2 | ||
| 0.55 | 1.3 | 3.1 | 9.5 | 29 | 3 | ||
| Type | EPL40 | EPL60 | EPL90 | EPL120 | EPL160 | Ratio | |
| Moment of inertia | kgcm2 | 0.031 | 0.135 | 0.77 | 2.63 | 12.14 | 3 |
| 0.022 | 0.093 | 0.52 | 1.79 | 7.78 | 4 | ||
| 0.019 | 0.078 | 0.45 | 1.53 | 6.07 | 5 | ||
| 0.017 | 0.065 | 0.39 | 1.32 | 4.63 | 8 | ||
| -- | -- | -- | 2.62 | 12.37 | 10 | ||
| 0.03 | 0.131 | 0.74 | 2.62 | 12.15 | 9 | ||
| 0.029 | 0.127 | 0.72 | 2.56 | 12.37 | 12 | ||
| 0.023 | 0.077 | 0.71 | 2.53 | 12.35 | 15 | ||
| 0.022 | 0.088 | 0.5 | 1.75 | 7.47 | 16 | ||
| 0.019 | 0.075 | 0.44 | 1.5 | 6.65 | 20 | ||
| 0.019 | 0.075 | 0.44 | 1.49 | 5.81 | 25 | ||
| 0.017 | 0.064 | 0.39 | 1.3 | 6.36 | 32 | ||
| 0.016 | 0.064 | 0.39 | 1.63 | 5.28 | 40 | ||
| 0.016 | 0.064 | 0.39 | 1.3 | 4.5 | 64 | ||
| 0.029 | 0.076 | 0.51 | 2.57 | 7.5 | 60 | ||
| 0.019 | 0.075 | 0.5 | 1.5 | 7.5 | 80 | ||
| 0.019 | 0.075 | 0.44 | 1.49 | 7.4 | 100 | ||
| 0.029 | 0.064 | 0.7 | 2.5 | 7.3 | 120 | ||
| 0.016 | 0.064 | 0.39 | 1.3 | 6.5 | 160 | ||
| 0.016 | 0.064 | 0.39 | 1.3 | 6.2 | 200 | ||
| 0.016 | 0.064 | 0.39 | 1.3 | 5.7 | 256 | ||
| 0.016 | 0.064 | 0.39 | 1.3 | 5.4 | 320 | ||
| 0.016 | 0.064 | 0.39 | 1.3 | 5.2 | 512 |
| Banklash | arcmin(分) | EPL40 | EPL60 | EPL90 | EPL120 | EPL160 | Stages | |
| precision | <5 | <3 | <3 | <3 | <5 | 1 | ||
| criterion | <10 | <8 | <8 | <8 | <10 | 1 | ||
| precision | <8 | <5 | <5 | <5 | <8 | 2 | ||
| criterion | <12 | <10 | <10 | <10 | <12 | 2 | ||
| precision | <10 | <8 | <8 | <8 | <10 | 3 | ||
| criterion | <15 | <12 | <12 | <12 | <15 | 3 |
| EPL40 | EPL60 | EPL90 | EPL120 | EPL160 | ||
| Torsional rigidity | Nm/arcmin | 0.7 | 1.8 | 4.4 | 9.2 | 26.7 |
| Noise | dB(A) | 55 | 58 | 60 | 65 | 70 |
| Max.input speed | min-1 | 10000 | 8000 | 6000 | 6000 | 6000 |
| Advised input speed | min-1 | 4500 | 4000 | 4000 | 3500 | 3000 |

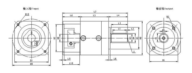
| Type | EPL40 | EPL60 | EPL90 | EPL1201 | EPL1602 | ||||||||||||
| stages | 1 | 2 | 3 | 1 | 2 | 3 | 1 | 2 | 3 | 1 | 2 | 3 | 1 | 2 | 3 | ||
| D1 | flange holes circle | 34 | 52 | 70 | 100 | 145 | |||||||||||
| D2 | Mounting threadx depth | 4?/FONT> | M4? | M5? | M6?0 | M10?6 | M12?0 | ||||||||||
| D3 | Output shaft diameter | h6 | 10 | 14 | 20 | 25 | 40 | ||||||||||
| D4 | Shaft root | 12 | 17 | 25 | 35 | 55 | |||||||||||
| D5 | Output centering | h7 | 26 | 40 | 60 | 80 | 130 | ||||||||||
| D6 | body diameter | 40 | 60 | 80 | 115 | 160 | |||||||||||
| D7 | 输入电机的中心孔 | H7 | 30 | 50 | 70 | 110 | 114.3 | ||||||||||
| D8 | 输入齿轮孔 | F7 | 8 | 14 | 19 | 22 | 35 | ||||||||||
| D9 | Hole circle | 46 | 70 | 90 | 145 | 200 | |||||||||||
| D10 | Mounting threadx depth | M4?0 | M5?2 | M6?5 | M8?0 | M12?5 | |||||||||||
| Q1 | Input flange | □ | 40 | 60 | 80 | 120 | 175 | ||||||||||
| L1 | Key length | 15 | 25 | 30 | 40 | 65 | |||||||||||
| L2 | Distance from shaft end | 4 | 2.5 | 3 | 5 | 7.5 | |||||||||||
| L3 | Shaft length from spigot | 23 | 30 | 36 | 50 | 80 | |||||||||||
| L4 | Shaft length from output | 26 | 35 | 40 | 55 | 87 | |||||||||||
| L5 | Body length | 38 | 50.7 | 63.2 | 46 | 60.5 | 74 | 60 | 78.5 | 96 | 99.5 | 126.5 | 154 | 173.5 | 223 | 263.5 | |
| L6 | Motor flange length | 24.3 | 32 | 44 | 39 | 25 | |||||||||||
| L7 | Overal lngth | 88.3 | 101 | 113.5 | 114 | 127.5 | 141 | 144 | 162.5 | 180 | 193.5 | 220.5 | 248 | 285.5 | 335 | 375.5 | |
| L8 | Spigot depth | 2 | 3 | 3 | 4 | 5 | |||||||||||
| L9 | Motor location depth | 3.5 | 6.5 | 6.5 | 6.5 | 3.5 | |||||||||||
| L10 | Motor shaft length | 25 | 30 | 40 | 55 | 79 | |||||||||||
| B1 | Key width | 3 | 5 | 6 | 8 | 12 | |||||||||||
| H1 | Key height | 11.2 | 16 | 22.5 | 28 | 43 | |||||||||||
| Z | Orient holes | M3? | M5?2 | M6?6 | M10?2 | M12?5 | |||||||||||
Prodotto Dettaglio rapido:
- Disponibili standard e non standard
- Con alta qualità e prezzo competitivo
- Consegna rapida
- Imballaggio secondo la richiesta del cliente.
Promettiamo di offrire il miglior prezzo con l'alta qualità in Cina! Accettiamo anche ordini speciali sui prodotti. Se siete interessati ai nostri prodotti. Non esitate a farci sapere.Siamo lieti di darvi le informazioni dettagliate.Promettiamo che i nostri prodotti sarebbero la sicurezza e sono stati in alta qualità e prezzo ragionevole. Se siete interessati ai nostri prodotti, vi preghiamo di contattarci asap.We sono sinceramente cercando la vostra cooperazione.
La maggior parte dei nostri prodotti viene esportata in Europa o nelle Americhe; sono disponibili prodotti standard e non standard. Possiamo produrre secondo il vostro disegno o campione. Il materiale può essere standard o secondo la vostra richiesta speciale. Se scegliete noi, scegliete l'affidabilità.

Materiali disponibili
1. Acciaio inossidabile: SS201, SS303, SS304, SS316, SS416, SS420
2. Steel:C45(K1045), C46(K1046),C20
3. Ottone: C36000 (C26800), C37700 (HPb59), C38500 (HPb58), C27200 (CuZn37), C28000 (CuZn40)
4. Bronzo: C51000, C52100, C54400, ecc.
5. Ferro: 1213, 12L14,1215
6. Alluminio: Al6061, Al6063
7.OEM secondo la vostra richiesta
Trattamento della superficie
Ricottura, canonizzazione naturale, trattamento termico, lucidatura, nichelatura, cromatura, zincatura, passivazione gialla, passivazione oro, satinatura, verniciatura nera ecc.
Metodo di elaborazione
Lavorazione CNC, punzonatura, tornitura, fresatura, foratura, rettifica, brocciatura, saldatura e assemblaggio
CQ e certificato
Tecnici autocontrollo in produzione, controllo finale prima del pacchetto da parte dell'ispettore di qualità professionale
ISO9001:2008, ISO14001:2001, ISO/TS 16949:2009
Pacchetto e tempi di consegna
Dimensioni: Disegni
Cassa di legno/contenitore e pallet, o come da specifiche personalizzate.
15-25 giorni per i campioni. 30-45 giorni ordine ufficiale
Porto: porto di Shanghai/Ningbo








